首页->Rd-04
这两种模块都具有高精度、低功耗和紧凑的尺寸。Ai-Thinker开发的60G雷达系列模块是60GHz毫米波雷达,有两个模块:Rd-60和Rd-61。这两种模块都具有高精度、低功耗和紧凑的尺寸。它们带有集成雷达天线,并采用......
当雷达检测到障碍物时,输出高电平信号,并向个人手机发送通知。材料•Ai-WB2-12F•Rd-04原理图Rd-04它有一个6针2.0mm头,有以下引脚:这个项目需要使用I2C引脚。在接线之前,必须拆卸RD-04的板载MC......
来源:阴雨......
用集成触发器KC04的调速电路 ......
RD9481是微波物体位移检测专用混合集成电路,它能准确地检测物体的移动.其内部电路由微波收发电路,两级选通放大电路,电压比较器,状态控制器,延时定时器,封锁定时器和参考电压源组成,如下所示利用RD9481构成了多普勒效......
......
如图所示为由SMP04与运放构成的具有保持控制的正、负峰值检波电路。放大器A用于正峰值检波,放大器B用于负峰值检波。假定SMP04内部采样保持开关闭合,当正输入电压VIN上升时,正峰值检波放大器A输出使D2导通、D1截止......
电子狗是用微波传感模块RD627为感应器件制作的一种报警装置,其监控面积约为100平方米.当有人进入监控区域时,电子狗便发出逼真的狗吠声,同时双眼闪闪发光,具有一定的威慑作用. ......
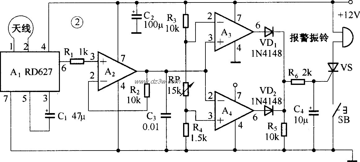
RD627是利用多普勒效应原理制作的一种传感器件,它能够将物体移动的位移信号转换成相应的电信号,可以广泛应用在自动灯,自动门,移动物体计数器,自动开关及防盗报警器等装置中.下图利用RD627构成的微波报警电路 ......