给大家分享的是采用TL494 的反相降压-升压转换器。
2022-10-17 10:31:53
1758 电路图显示LT3724,24V升压转换器在50W时的转换效率超过95%,组件少于20个。 LT3724采用200kHz固定频率电流模式架构。内部高压偏置稳压器允许简单的启动和偏置,并且可以通过输出反向驱动,以提高IC的供电效率和降低功耗
2019-04-25 09:08:38
引脚即可提供正输出电压和负输出电压,所有拓扑结构皆可实现。反相应用与升压或SEPIC一样可获得,节省设计时间和精力。升压转换器有些应用要求输出电压高于输入电压,LT836x系列具有2.8 V至60 V
2020-10-21 07:08:40
LT1107CS8 24V至5V降压转换器的典型应用电路。 LT1107是一款多功能微功率DC / DC转换器。该器件仅需三个外部元件即可提供5V或12V的固定输出。在升压模式下,电源电压范围为2V至12V,在降压模式下为30V。 LT1107在升压,降压或反相应用中的功能同样出色
2020-06-14 14:14:05
的电压才能运行,因此需要使用DC-DC转换器,以满足严格的效率、空间和成本要求。ADI公司的LT8365是一个多用途单芯片升压转换器,集成了一个150 V、1.5 A开关,因此特别适用于通信领域中包括
2020-10-29 11:15:25
我尝试用数据手册中9-30V升压到125V的电路来进行升压,电路焊接没有问题,但是LT8365貌似没有工作 。我的系统输入为13V,FBX引脚电压是不可思议的8V,并且Vc引脚的电压为0,系统输出为
2024-01-05 06:57:08
LT1107CS8-5 24V至5V降压转换器的典型应用电路。 LT1107是一款多功能微功率DC / DC转换器。该器件仅需三个外部元件即可提供5V或12V的固定输出。在升压模式下,电源电压范围为2V至12V,在降压模式下为30V。 LT1107在升压,降压或反相应用中的功能同样出色
2020-06-15 12:03:51
LT1109CZ闪存VPP发生器的典型应用电路。 LT1109是一款简单的升压型DC / DC转换器。这些器件仅需三个外部元件即可构建完整的DC / DC转换器
2019-10-31 07:10:14
LT1109CZ 3V至5V转换器的典型应用电路。 LT1109是一款简单的升压型DC / DC转换器。这些器件仅需三个外部元件即可构建完整的DC / DC转换器
2019-10-31 08:58:21
LT1183CS LCD对比度正升压转换器LT1183CS的典型应用电路。 LT1183是一款双电流模式开关稳压器,可为冷阴极荧光灯(CCFL)和液晶显示器(LCD)对比提供控制功能
2019-04-09 07:20:40
DN183-LT1370:500kHz,6A单片升压转换器
2019-08-14 12:31:35
LT1615升压转换器串联驱动8个白光LED,输出电压约为29V,可通过内部36V,350mA开关实现
2020-07-13 08:24:13
电路显示LT1617正负转换器可以轻松转换。一个锂离子到15V的反相转换器,能够提供15mA的负载电流
2019-03-15 10:51:11
LT3462A,薄型,3.3V至8V,30mA反相转换器,50mm2,适用于CCD和OLED应用
2019-08-15 08:52:05
LT3462,高转换比,3.3V至25V反相转换器,功耗低至55mm2,效率高于70%
2019-08-16 06:55:39
电路图显示LT3464紧凑型升压转换器采用16V偏置电源,可提供6.5mA的电流,效率为77%,来自锂离子电池
2020-07-14 08:13:32
LT3477可以简单地转换为降压 - 升压转换器,因为浮动电流检测放大器可以将LED串及其串联检测电阻器连接到任何地方
2019-09-06 08:13:53
LT3498是一款双通道升压转换器,采用单个3mm + 2mm DFN封装,具有LED驱动器和OLED驱动器。 LED驱动器设计用于从锂离子电池驱动多达六个串联的白光LED
2020-07-14 13:39:49
LT3570的典型应用是具有内部电源开关和LDO控制器的降压和升压转换器
2020-06-03 08:00:24
LT8331EMSE 4.5V至80V输入,5V SEPIC转换器的典型应用电路。 LT8331是一款电流模式DC / DC转换器,具有140V,0.5A开关,工作电压范围为4.5V至100V。凭借独特的单反馈引脚架构,它具有升压,SEPIC,反激或反相配置
2019-08-08 08:52:02
LT8331IMSE 4.5V至80V输入,12V SEPIC转换器的典型应用电路。 LT8331是一款电流模式DC / DC转换器,具有140V,0.5A开关,工作电压范围为4.5V至100V。凭借独特的单反馈引脚架构,它具有升压,SEPIC,反激或反相配置
2019-08-08 08:52:02
升压转换器LT3495资料下载内容主要介绍了:LT3495引脚功能LT3495内部方框图LT3495典型应用电路
2021-03-29 06:12:37
升压型转换器LT84101资料下载内容主要介绍了:LT8410-1功能和特点LT8410-1引脚功能LT8410-1内部方框图LT8410-1典型应用电路LT8410-1电气参数
2021-03-23 06:20:33
升压型转换器LT8410资料下载内容主要介绍了:LT8410功能和特点LT8410引脚功能LT8410内部方框图LT8410典型应用电路LT8410电气参数
2021-03-26 07:30:12
的电压才能运行,因此需要使用 DC-DC转换器,以满足严格的效率、空间和成本要求。ADI公司的LT8365是一个多用途单芯片升压转换器,集成了一个150 V、1.5A 开关,因此特别适用于通信领域
2019-09-12 09:25:30
的电压才能运行,因此需要使用DC-DC转换器,以满足严格的效率、空间和成本要求。ADI公司的LT8365是一个多用途单芯片升压转换器,集成了一个150 V、1.5 A开关,因此特别适用于通信领域中包括
2020-08-12 08:59:43
用于通信的高压升压和反相转换器介绍,不看肯定后悔
2021-06-17 08:03:29
,这会使电源经历双重转换。两次电源转换步骤的效率是这些转换步骤中每次转换的效率的乘积,所以,我所描述情况下的总体效率是比较低的。例如,如果升压转换器的效率为90%,降压转换器的效率为95%,那么总体效率
2018-09-03 15:17:17
描述此参考设计使用 BQ24640超级电容器充电控制器来为一大堆超级电容器充电,使这些电容器的电压低于输入总线电压。在输入总线压差期间,超级电容器的电量用于为升压转换器供电,可提 供 10A 的输出
2022-09-22 06:11:18
用于掌上计算机逻辑电源的LT1107IS8微功率DC / DC转换器的典型应用电路。 LT1107是一款多功能微功率DC / DC转换器。该器件仅需三个外部元件即可提供5V或12V的固定输出。在升压
2020-06-12 16:41:39
高压侧电流检测DCDC转换器LT3956资料下载内容包括:LT3956引脚功能LT3956内部方框图LT3956典型应用电路LT3956极限参数
2021-03-31 06:43:40
导读:日前,凌力尔特公司(以下简称“Linear”)专为对光接收器中的雪崩光电二极管(APD) 施加偏置而设计出新款固定频率、电流模式升压型DC/DC转换器--LT3905.此款新器件可提供适合
2018-09-29 17:00:51
PICO的AV系列通孔/单输出高压转换器主要用于隔离使用输入输出接地保护波动输出电压可为正或负。AV系列通孔/单输出高压转换器主要用于隔离技术应用,正输出或负输出。AV系列通孔/单输出高压转换器选用
2023-12-06 14:07:00
DC545A,演示电路采用LT3460,12V输出升压转换器,设计用于在70mA负载电流下将5V输入转换为12V输出。每个电路都有一个跳线,用于测试SHDN模式操作
2019-08-01 06:05:42
概述:LT3479是一款具有一个内部 3A、42V 开关的电流模式、固定频率升压型 DC/DC 转换器。在典型应用中可实现高达 89% 的效率。它具有一种可编程软起动功能 (用于限制启动期间的电感器电流) 和涌...
2021-04-14 06:09:35
升压直流-直流转换器。其PWM电路
内置30mQ高压侧开关和30m2低压侧开关,使该调节器具有高功率
有效率的
内部补偿网络还将外部组件的数量减少到只有6个。一
内部0.6V电压连接到误差放大器,非
2024-03-22 12:15:01
,LT3762驱动LED的模式可重新配置,既可采用升压配置,也可采用降压、升压-降压和降压-升压模式。在这些升压型转换器的拓扑变体中,利用ADI公司获得专利的升压-降压模式配置可作为升压/降压型转换器工作
2019-09-25 13:58:43
电路图显示LT1172是一款升压转换器,采用电感和电荷泵,具有双输出(正和负)。用于LCD显示屏对比度控制
2020-07-08 08:56:23
电路图显示LT1304-5是一款具有固定输出器件的升压转换器,无需外部电压设置电阻,从而减少了元件数量
2019-05-29 06:33:50
具有输出断接功能的LT1303-5,4,5单元至5V升压转换器的典型应用电路。 LT1303-5是采用突发模式操作的微功率升压高效DC / DC转换器。它们非常适合用于小型低压电池供电系统
2020-06-12 16:41:39
LT8410 / LT8410-1的典型应用是具有集成电源开关,肖特基二极管和输出断接电路的超低功率升压转换器
2020-03-09 08:38:31
从 VOUT2 获取,或从 VOUT1 与 VOUT2 的组合获得。图 1:120V 或 240V 输出升压转换器可容易地通过如图 2 所示的方式配置转换器以获得一个高压负输出电压轨。该转换器通过增设一个
2018-08-23 14:22:18
,LT3762驱动LED的模式可重新配置,既可采用升压配置,也可采用降压、升压-降压和降压-升压模式。在这些升压型转换器的拓扑变体中,利用ADI公司获得专利的升压-降压模式配置可作为升压/降压型转换器工作
2019-03-30 09:36:59
LT3587采用小型20引脚3mmx3mmQFN封装,其内部800mA升压型转换器和900mA负输出转换器可从锂离子电池提供高达50mA/15V和100mA/-8V,为最新一代CCD(电荷耦合器件
2021-04-19 06:33:32
双输出升压型转换器LT3498资料下载内容包括:LT3498引脚功能LT3498内部方框图LT3498极限参数LT3498典型应用电路
2021-04-02 06:06:11
转换范围、正极性、高能效和小尺寸方案。安森美半导体用于USB供电和USB-C应用的NCP81239 4开关降压-升压控制器可以驱动4个开关,使转换器能够降压或升压,并支持用户满足USB供电(PD)规格
2019-07-16 06:44:27
转换范围、正极性、高能效和小尺寸方案。安森美半导体用于USB供电和USB-C应用的NCP81239 4开关降压-升压控制器可以驱动4个开关,使转换器能够降压或升压,并支持用户满足USB供电(PD)规格
2020-10-30 09:04:18
结束语许多市场对输出电压高于或低于输入电压(升压/降压)的高效率同相转换器的需求都在不断增长。ADI 公司的双通道同步开关控制器ADP1877允许用低损耗MOSFET代替常用于功率级的高损耗功率二极管
2018-10-22 16:41:42
DC1734A,演示电路采用升压和反相稳压器配置的双通道LT8582。该电路设计用于将5V至10V输入源转换为12V(900 mA)和-12V(590 Ma)
2020-06-05 07:57:32
用于掌上电脑逻辑电源的LT1107CS8-5微功率DC / DC转换器的典型应用电路。 LT1107是一款多功能微功率DC / DC转换器。该器件仅需三个外部元件即可提供5V或12V的固定输出。在
2020-06-14 06:54:52
所示的原理图显示了最多具有五个相位的升压转换器的简化配置。LT8551 可用于将几乎所有单相位升压控制器扩展至最多具有 18 个相位,且相应成倍增加其输出功率。在超过五个 相位的配置中,一个
2020-09-30 09:27:31
所示的原理图显示了最多具有五个相位的升压转换器的简化配置。LT8551 可用于将几乎所有单相位升压控制器扩展至最多具有 18 个相位,且相应成倍增加其输出功率。在超过五个 相位的配置中,一个
2022-07-01 09:34:22
电路显示使用LT1615-1的1节碱性至3V升压转换器。能够提供15mA的输出电流
2020-07-08 13:01:16
描述用于轻负载的隔离升压转换器 5v-27v该升压转换器使用 B0505S 1 瓦隔离 5 伏输入模块来提供浮动 5V 输出。浮动 5V 由 AP3012 切换器升压,可从大约 5V(输入电压
2022-09-05 06:16:01
,这会使电源经历双重转换。两次电源转换步骤的效率是这些转换步骤中每次转换的效率的乘积,所以,我所描述情况下的总体效率是比较低的。例如,如果升压转换器的效率为90%,降压转换器的效率为95%,那么总体效率
2022-11-17 06:46:15
演示电路DC1424A-B采用升压/反相稳压器配置的LT3581。 Boost设计用于将5V至10V输入源转换为12V(900mA),逆变器设置为5V至12V至-12V(750mA)。通过从各自的位置交换L2和D2,可以轻松地将DC1424A-B转换为SEPIC转换器
2020-06-02 17:28:27
DC-DC转换器常用于采用电池供电的便携式及其它高效系统,在对电源电压进行升压、降压或反相时,其效率高于95%。电源内阻是限制效率的一个重要因素。 立深鑫电子为大家描述了电源内阻的对效率
2021-11-16 08:52:21
降压-升压转换器的操作原理是什么?高效非反向降压-升压转换器的设计标准有哪些?
2021-04-13 06:03:21
转换范围、正极性、高能效和小尺寸方案。安森美半导体用于USB供电和USB-C应用的NCP81239 4开关降压-升压控制器可以驱动4个开关,使转换器能够降压或升压,并支持用户满足USB供电(PD)规格
2018-10-30 09:05:44
。 LT8471是一款双PWM DC / DC转换器,包含两个内部2A,50V开关和一个额外的500mA开关,便于降压和反相转换。每个2A通道可以独立配置为降压,升压,SEPIC,反激或反相转换器
2019-05-30 09:10:31
本文主要介绍的是输出高压的小型升压转换器。
2009-04-26 16:22:01
11 输出高压的小型升压转换器
2009-04-27 10:31:24
37 本文主要讲述的是输出高压的小型升压转换器。
2009-04-30 09:47:56
20 LT8365是一款集成1.5A、150V开关的电流模式DC/DC转换器,可在2.8V至60V输入范围内工作。它具有独特的单反馈引脚架构,能够进行升压、SEPIC或反相配置。在极低输出电流下,突发工作
2023-05-17 17:51:52
LT8365是一款集成1.5A、150V开关的电流模式DC/DC转换器,可在2.8V至60V输入范围内工作。它具有独特的单反馈引脚架构,能够进行升压、SEPIC或反相配置。在极低输出电流下,突发工作
2023-05-22 17:42:57
升压转换器的应用设计分析
升压转换器的拓扑类型如何?
本质上,升压转换器IC被用于电池
2010-03-20 13:57:14
910 
固定频率升压型DC/DC转换器LT3581(Linear)
凌力尔特公司 (Linear Technology Corporation) 推出电流模式、固定频率升压型 DC/DC 转换器 LT3581,
2010-04-10 09:10:29
1035 
Linear推出电流模式、固定频率升压型DC/DC转换器LT3581
凌力尔特公司 (Linear) 推出电流模式、固定频率升压型 DC/DC 转换器 LT3581,该器件具集成的故障保护功能,用于在输出短
2010-04-12 10:17:40
911 
LT8580 是一款 PWM DC/DC 转换器,其包含一个内部 1A、65V 开关。可以通过配置使LT8580 成为一个升压、SEPIC 或负输出转换器。
2018-06-29 18:58:56
295 Ćuk转换器(也称为两个电感器反相转换器),反相电荷泵和单电感器反相转换器(也称为反相降压 - 升压)都可以从正输入电压提供负输出电压。然而,工程师经常在不知不觉中用错误的名称来引用这些拓扑,给已经有点混乱的区域增加了混乱。
2019-04-17 08:24:00
4098 电子通信领域正迅速扩展到日常生活的各个方面。检测、传输和接收数据都需要使用大量器件,例如光纤传感器、RF MEMS、PIN二极管、APD、激光二极管、高压DAC等等。
2019-10-05 17:41:00
241 
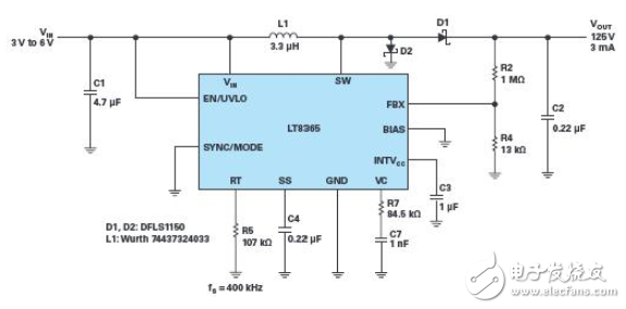
LT8365 Demo Circuit - 125V Boost Converter (9-30V to 125V @ 20mA)
2021-01-28 02:32:40
12 LT8365 Demo Circuit - 48V SEPIC Converter (12-60V to 48V @ 200mA)
2021-01-28 02:34:41
11 LT3472: 用于 CCD 偏置的升压和负输出 DC/DC 转换器 数据手册
2021-03-19 12:03:22
4 LT3433演示电路-高压升压/降压转换器(5V至5V@125 mA)
2021-04-13 15:53:12
7 LT1106:适用于PCMCIA卡Flash Memory的微功率升压型DC/DC转换器数据表
2021-04-20 10:15:30
10 LT8330:带1A、60V开关的低IQ升压/SEPIC/反相转换器产品手册
2021-04-20 10:46:27
8 LT3570:1.5A降压转换器、1.5A升压转换器和LDO控制器产品手册
2021-04-25 14:47:58
10 LT3465/LT3465-A:1.2 MHz内置肖特基的ThinSOT白光LED升压转换器
2021-05-09 20:45:21
8 LT8361:带2A、100V开关的低智商Boost/SEPIC/反相转换器产品手册
2021-05-11 09:58:55
11 LT8365:带1.5A、150V开关的低IQ升压/SEPIC/反相转换器产品手册
2021-05-22 08:22:02
8 LT8335:带2A、28V开关的低智商Boost/SEPIC/反相转换器产品手册
2021-05-24 17:33:40
12 LT8330演示电路-反相转换器(4-36V至-12V@270 mA)
2021-06-03 08:20:07
1 LT8471演示电路-双输出降压和反相转换器(6-32V至+5V@1.4A和-5V@800 mA)
2021-06-05 08:22:31
8 LT3757演示电路-反相(CUK)转换器(5-15V至-5V@5A)
2021-06-08 10:55:54
6 LT1302演示电路-适用于2芯电池(2-3V至12V@120 mA)的12V升压转换器
2021-06-08 20:08:35
39 LT3433演示电路-高压升压降压转换器(5V至5V@125 mA)
2021-06-17 18:44:34
10 电子发烧友网站提供《用于轻负载的隔离升压转换器.zip》资料免费下载
2022-08-15 11:22:56
0 ADI公司的LT8365是一款多功能单芯片升压转换器,集成了150 V、1.5 A开关,非常适合通信领域的高压应用,包括便携式设备。从低至 2.8 V 和高至 60 V 的输入可轻松产生高压输出。它具有可选的扩频频率调制功能,有助于降低EMI,以及数据手册中详述的许多其他常用功能。
2022-12-21 14:58:31
969 LT®3724 是一款单开关 DC/DC 控制器,可用于中等功率降压、升压、反相和 SEPIC 转换器拓扑。它提供了简单的解决方案,可在宽输入电压范围 (4V–60V) 和宽负载范围内高效调节系统电压。
2023-03-20 11:18:27
755 如何轻松地为高压反相降压-升压拓扑选择合适的线圈?
2023-07-11 10:57:56
499 伏的电压才能运行,因此需要使用 DC-DC转换器,以满足严格的效率、空间和成本要求。 ADI的LT8365是一个多用途单芯片升压转换器,集成了一个150V、1.5A 开关,因此特别适用于通信领域中包括便携式器件在内的高压应用。可以轻松从低至2.8V和高至60V的输入中生
2023-07-24 18:50:01
232 使用ADI公司制造的ADP1612升压DC-DC转换器可以设计出非常简单的升压转换器。
2023-10-06 16:37:00
378 降压-升压转换器相当于使用单个电感器的反激式转换器,它们具备两种主要拓扑结构:反相和同相。反相型的输出电压极性与输入相反,而同相型的输出与输入电压极性相同。这种拓扑结构使得降压-升压转换器能够在不同应用中灵活使用,尤其是在需要负输出电压的场景中。
2023-11-24 13:40:14
262
评论