本文主要详解加法器芯片74ls283中文资料汇总,首先介绍了74ls283引脚图及功能,其次介绍了74ls283逻辑功能图及极限值,最后介绍了两款基于加法器芯片74ls283的应用电路图,具体的跟随小编一起来了解一下。
74ls283是4位二进制超前进位全加器
简要说明:283为具有超前进位的4位全加器,共有54/74283,54/74S28和54/74LS283三种线路结构型式,其主要电器特性的典型值如下(不同厂家具体值有差别):

74ls283引脚图及功能

74ls283引脚功能
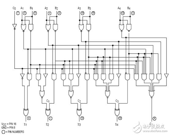
A1–A4运算输入端
B1–B4运算输入端
C0进位输入端
Σ1–Σ4和输出端
C4进位输出端
74ls283逻辑功能图

74ls283极限值
电源电压…………………………………………。7V
输入电压
54/74283…………………………………5.5V
54/74LS283…………………………………7V
发射极间电压
54/74283,54/74S283的A和B之间…………5.5V
工作环境温度
54XXX…………………………………-55~125℃
74XXX…………………………………0~70℃
存储温度…………………………………………-65~150℃
74ls283功能表

74ls283应用电路图一:
用741s283芯片与异或门设计的减法器
若A3A2A1A0》》B3B2B1B0.A3A2A1A0减去B3B2B1B0等于B3B2B1B0求反加1舍去进位,比如1001 -1000=0001
1001+[0111+1]=10001 舍去最高位(进位)得0001,用这种思想我们可以设计出减法器用proteus设计的电路如下(在该电路中用1实现减法, 用0实现加法器的功能)

减数,被减数的输入可以用开关控制,置左时为高电平1,置右为低电平为0。
74ls283应用电路图二:
74LS283组成的八位二进制加法电路图
74LS283串接实现八位二进制加法电路,用两片74LS283进行串联,四位加数与四位被加数的低位位在同一片74LS283上实现,低位在同一片74LS283上实现,将低位的进位位接入到高位74LS283,最后输出9位二进制数。
电路如下图所示,其中U1为高位输入输出,U3为低位输入输出,最后的输出二进制数从右至左读取。

