带有此标记的料号:
1. 表示供应商具有较高市场知名度,口碑良好,缴纳了2万保证金,经维库认证中心严格审查。
2. 供应商承诺此料号是“现货” ,如果无货或数量严重不足(实际数量不到显示数量一半),投诉成立奖励您500元。
20
SOP14/15+
全新原装现货热卖
100000
SOP14 DIP/25+
原厂原装,代理原厂技术支持,
39
SOP14/2020
全新原装 现货
CD4066BE
20000
DIP14/24+
原装,欢迎询价
CD4066BM96
30000
SOP14/2115+5
实报,只做原装现货,金百纳
CD4066
9000
TUBE/TI/22+
TI现货直销 只做原装
CD4066
132080
SOP/DIP/23+
原厂现货
CD4066BDTR
100000
SOP14/23+
芯之所在,卓越品质
CD4066BQDRQ1
5000
TSSOP/22+
原装现货,配单能手
CD4066BQDRQ1
7600
TSSOP/2025+
原装现货
CD4066
999000
SOP/DIP/25+
国产IC/直替进口/价低货硬/为您省钱
CD4066BE
999999
-/-
-
CD4066BPWR
2332
14TSSOP/23+
0.80 起/原装现货/量大可议
CD4066
CMOS 4-Bit Magnitude Comparator
INTERSIL
CD4066PDF下载
CD4066
CMOS QUAD BILATERAL SWITCH
TI
CD4066PDF下载
CD4066
CMOS QUAD BILATERAL SWITCH
TI [Texas Instruments]
CD4066PDF下载
CD4066B
CMOS QUAD BILATERAL SWITCH
TI
CD4066BPDF下载
CD4066B
CMOS Quad Bilateral Swltch
CD4066BPDF下载
CD4066B
CMOS Quad Bilateral Swltch
CD4066BPDF下载
CD4066AD
Interface IC
ETC
CD4066ADPDF下载
CD4066AE
Interface IC
ETC
CD4066AEPDF下载
CD4066AF
Interface IC
ETC
CD4066AFPDF下载
CD4066AH
Interface IC
ETC
CD4066AHPDF下载
晶振,经过pdiusbd12内部倍频电路之后,pdiusbd12内部实际时钟为24mhz 。引脚gl通过一个绿色指示灯和一个电阻连到电源,当该仪器枚举成功以后,该指示灯亮,当计算机与该仪器进行通讯时,此指示灯闪烁。 1.2 信号调理电路的设计 信号调理电路主要包括模拟信号多路选择、滤波和信号放大等组成部分,电路如图3所示。 系统电路设计中,只使用了单片机c8051f000本身自带的一路模拟输入ain0;在单片机外围用多路模拟开关cd4051扩展了8路模拟输入。当单片机给cd4066的引脚cont1输入一个低电平、给引脚cont2输入一个高电平时,cd4066的引脚in1和out1之间断开、引脚in2和out2之间短接,运算放大器icl7650的负端输入与它的输出断开,此时icl7650对它的输入信号放大8倍;当单片机给cd4066的引脚cont1输入一个高电平、引脚cont2输入一个低电平时,cd4066的引脚in1和out1之间短接、引脚in2和out2之间断开,icl7650的负端输入与它的输出直接短接,此时icl7650和它的外围电路一起组成了一个电压跟随器,只是增
开关在电路中起接通信号或断开信号的作用。最常见的可控开关是继电器,当给驱动继电器的驱动电路加高电平或低电平时,继电器就吸合或释放,其触点接通或断开电路。cmos模拟开关是一种可控开关,它不象继电器那样可以用在大电流、高电压场合,只适于处理幅度不超过其工作电压、电流较小的模拟或数字信号。 一、常用cmos模拟开关引脚功能和工作原理 1.四双向模拟开关cd4066 cd4066的引脚功能如图1所示。每个封装内部有4个独立的模拟开关,每个模拟开关有输入、输出、控制三个端子,其中输入端和输出端可互换。当控制端加高电平时,开关导通;当控制端加低电平时开关截止。模拟开关导通时,导通电阻为几十欧姆;模拟开关截止时,呈现很高的阻抗,可以看成为开路。模拟开关可传输数字信号和模拟信号,可传输的模拟信号的上限频率为40mhz。各开关间的串扰很小,典型值为-50db。 图1 cd4066的引脚功能 2.单八路模拟开关cd4051 cd4051引脚功能见图2。cd4051相当于一个单刀八掷开关,开关接通哪一通道,由输入的3位地址码abc来决定。其真值表见表1。“inh”是禁止端,当“i
时vt1和vt2均为截止状态,电路输出呈高阻状态。 从上面的分析可以看出,只有当选通端e为高电平时,模拟开关才会被接通,此时可从a向b传送信息;当输人端a为低电平时,模拟开关关闭,停止传送信息。 二、常用的cmos模拟开关集成电路 根据电路的特性和集成度的不同,mos模拟开关集成电路可分为很多种类。现将常用的模拟开关集成电路的型号、名称及特性列入表二中。 表二 常用的模拟开关 类别 型号 名称 特点 模拟开关 cd4066 四双向模拟开关 四组独立开关,双向传输 多路模拟开关 cd4051 8选1模拟开关 电平位移,双向传输,地址选择 cd4052 双4选1模拟开关 电平位移,双向传输,地址选择 cd4053 三路2组双向模拟开关 电平位移,双向传输,地址选择 cd4067 单16通道模拟开关 电平位移,双向传输,地址选择 cd4097 双8通道电路模拟开关 电平位移,双向传输,地址选择
开关在电路中起接通信号或断开信号的作用。最常见的可控开关是继电器,当给驱动继电器的驱动电路加高电平或低电平时,继电器就吸合或释放,其触点接通或断开电路。cmos模拟开关是一种可控开关,它不象继电器那样可以用在大电流、高电压场合,只适于处理幅度不超过其工作电压、电流较小的模拟或数字信号。 一、常用cmos模拟开关引脚功能和工作原理 1.四双向模拟开关cd4066 cd4066的引脚功能如图1所示。每个封装内部有4个独立的模拟开关,每个模拟开关有输入、输出、控制三个端子,其中输入端和输出端可互换。当控制端加高电平时,开关导通;当控制端加低电平时开关截止。模拟开关导通时,导通电阻为几十欧姆;模拟开关截止时,呈现很高的阻抗,可以看成为开路。模拟开关可传输数字信号和模拟信号,可传输的模拟信号的上限频率为40mhz。各开关间的串扰很小,典型值为-50db。 2.单八路模拟开关cd4051 cd4051引脚功能见图2。cd4051相当于一个单刀八掷开关,开关接通哪一通道,由输入的3位地址码abc来决定。其真值表见表1。“inh”是禁止端,当“inh”=1时,各通道均不接通。此外,cd
cd4066是4组双向cmos模拟电子开关,为14脚双列直插式塑料封装,可用c544、cc4066、tc4066、μpd4066等直接代换。cd4066在金正dvn990型dvd影碟机电路上的正常工作电压和在路电阻典型检测数据如表所列,用m14型三用表测得(电压测量用dc挡,电阻测量用×100ω挡)。 表 cd4066在金正dvn990型dvd影碟机上的检测数据 来源:ks99
CD4066是模拟开关集成电路,下图是其引脚功能图


如图所示为五用途三态声频逻辑笔电路。该电路主要由多谐振...
十位按键密码开关(CD4066、CD4043)电路
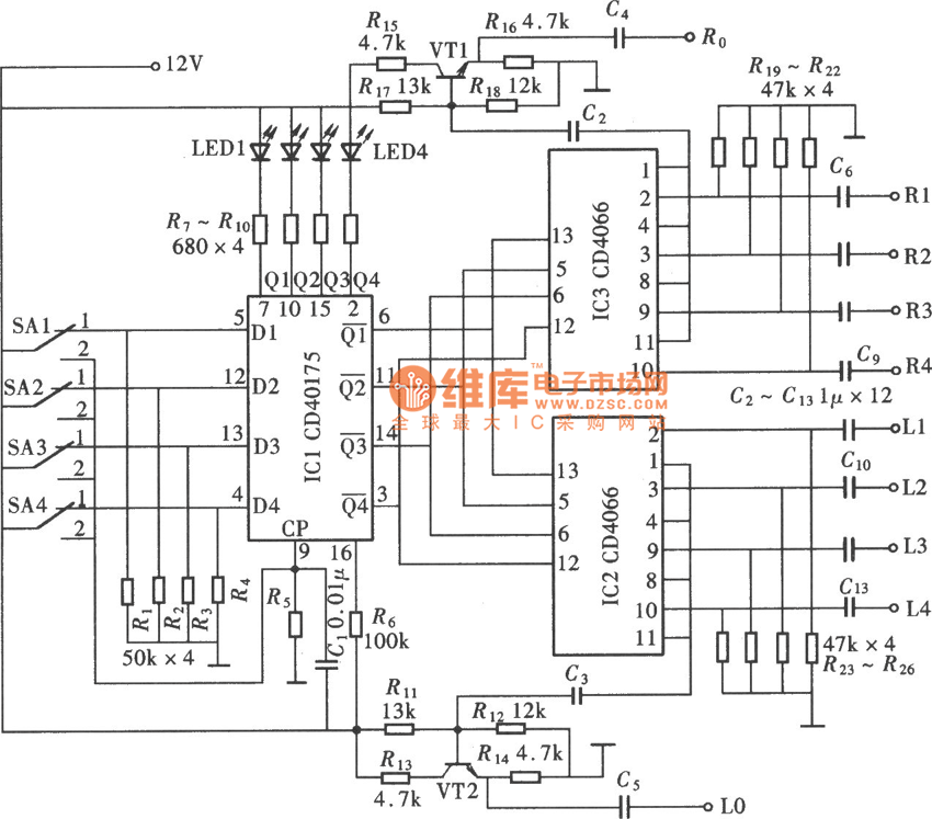
由CD40157、CD4066组成的四路电子切换开关电路
该温控器可以在用发光二极管显示温度范围的同时,自动调整电加热器的输入功率,使被控的加热器基本保持在恒温工作状态中。电路组成如图所示。
电子开关电路(双列14脚)
增、声速减4个功能键,功能键采用中断扫描方式。没有键按下时,四输入端与门cd4082的4个输入端和单片机的p1.0、p1.2、p1.3、p1.6口在上拉电阻r1~r4的作用下呈高电平,cd4082的输出端也是高电平,无中断请求。按下某键时,cd4082的某一输入端被接地,输出端变成低电平,向cpu发出中断请求,单片机响应中断,执行中断服务程序,扫描键盘,判断p1.0、p1.2、p1.3、p1.6口电平,确定按下的是哪一个键,并转去执行该键功能所赋予的处理程序。 (3)开机和关机控制 模拟开关cd4066和按键k5构成电源开关电路,按下k5时,单片机接通5v电源,开关控制程序使p3.0口输出高电平控制cd4066的控制端,使其导通,接续k5给系统供电。单片机内设有定时电路,只要测厚仪停止测量,定时程序开始计时,到60s时,p3.0口变成低电平,cd4066开关断开,实现延时自动关机。 (4)厚度标定 由于环境温度和工作电压等因素的影响,测量系统的某些参数时常发生漂移,因此测量时应对仪表进行厚度标定。标定操作是用仪器测量一片5mm厚的标准试块,若仪器显示不等于5mm,就应进行厚度标定。老式的测
控制脉冲方波基频f0及其奇次谐波处。rc越大,则各梳齿通带的频带越窄,抑制噪声的能力越强。 衡量电路抑制噪声能力的一个重要指标是等效噪声带宽。根据参考文献,电路系统的等效噪声带宽为: 式中,a0表示最大电压增益,对于式(13)所表示的幅频响应,|a0|=4r/(πr1)。 将式(13)代入式(14)得: 可见,增加开关电容滤波器的时间常数rc,就可以减小其等效噪声带宽,提高其抑制噪声的能力。 3 仿真结果 对图1(a)所示的电路,取r=r1=10kω、c=2μf,电子开关采用cd4066,控制方波频率为f0=100hz时,根据式(13)计算出的幅频响应曲线(实线)和利用multisim的仿真结果(虚线)如图2所示。可以看出,两者符号得较好,验证了文中理论推导的正确性。 本文利用频域方法对一种常用的开关电容滤波器电路进行了分析,计算出了其等效噪声带宽,并进行了仿真研究。所得结果与时域方法分析的结果一致,但是分析推导的过程要比参考文献中的相应过程简洁得多。 imgload(document.getelementbyid("bodylabel"));
1 八选一模拟开关 nsc/mot/ti cd4052 双4选1模拟开关 nsc/mot/ti cd4053 三组二路模拟开关 nsc/mot/ti cd4054 液晶显示驱动器 nsc/hit/ti cd4055 bcd-7段译码/液晶驱动器 nsc/hit/ti cd4056 液晶显示驱动器 nsc/hit/ti cd4059 “n”分频计数器 nsc/ti cd4060 14级二进制串行计数/分频器 nsc/ti/mot cd4063 四位数字比较器 nsc/hit/ti cd4066 四传输门 nsc/ti/mot cd4067 16选1模拟开关 nsc/ti cd4068 八输入端与非门/与门 nsc/hit/ti cd4069 六反相器 nsc/hit/ti cd4070 四异或门 nsc/hit/ti cd4071 四2输入端或门 nsc/ti cd4072 双4输入端或门 nsc/ti cd4073 三3输入端与门 nsc/ti cd4075 三3输入端或门 nsc/ti cd4076 四d寄存器 cd4077 四2输入端异或非门 hit cd407
相关元件pdf下载:cd4069 cd4017 cd4066 cd04174 c9014 本彩灯控制器可控制五路彩灯逐行递增点亮。再逐行递减熄灭。若将一定数量的彩色灯组合联接.就能营造出平面上色彩变化的场景.这比通常控制一条线上的色彩流动更加丰富绚丽。本控制器采用数字集成块.外围元器件少、电路结构简单。只要元器件完好、装接无误.装后无须调试即可一举成功。 本文以二维彩灯控制信号流程为线索,分析了相关数宇集成电路基本工作过程,按电子装接工艺要求介绍了二维彩灯控制器的制作过程。愿此文对电子技校同学和电子爱好者了解和熟悉数字电路的应用有所启示。 电路工作原理 二维彩灯控制器电路如图1所示,主要由非门lcl(cd4069)、计数,时序分配电路ic2(cd4017)、模拟电子开关ic3(cd4066)及d触发ic4(cd40174)等组成。 cd4069逻辑功能及引脚如图2a所示,其中非门f1、f2和外接电阻r2、r3、电容c4构成多谐振荡器,产生约3hz的脉冲方波。供给cd4017作计数脉冲和cd401 74作移位脉冲。 r3、c4为振荡定
cd4066是一种四路电子开关集成电路,在电视机、影碟机、电话机、各种电子仪器仪表等上应用相当广泛。cd4066集成电路内部主要由四路功能完全相同的电子开关组成,各组开关分别受其相应引脚输入的电平控制,使电子开关接通或断开。cd4066集成电路应用于无绳电话机中的典型应用电路如图所示。 欢迎转载,信息来源维库电子市场网(www.dzsc.com) 来源:与你同行
相关元件pdf下载:cd4066 能带动继电器工作的cmos集成块在人们的习惯中,总认为cmos集成块不能直接带动继电器工作,但实验证明,部分cmos集成块不仅能直接带动继电器工作,而且工作稳定可靠。实验中所用继电器的型号为jrc5m-dc12v微型密封继电器(其线圈电阻为750ω)。现将cd4066 cmos集成块带动继电器的工作原理分析如下:cd4066是四双向模拟开关,集成块scr1~scr4为控制端,用于控制四双向模拟开关的通断。当scr1接高电平时,集成块①、②脚导通,+12v→k1→集成块①、②脚→电源负极使k1吸合;反之当scr1输入低电平时,集成块①、②脚开路,k1失电释放,scr2~scr4输入高电平或低电平时状态与scr1相同。电路中,继电器线圈两端均反相并联了一只二极管,它是用于保护集成块的,切不可省去,否则在继电器由吸合状态转为释放时,由于电感的作用线圈上将产生较高的反电动势,极容易导致集成块击穿。并联了二极管后,在继电器由吸合变为释放的瞬间,线圈将通过二极管形成短时间的续流回路,使线圈中的电流不致突变,从而避免了线圈中反电动势的产生,确保了集成块的
cd4066是四双向模拟开关,主要用作模拟或数字信号的多路传输。cd4066的四个相互独立的双向开关,每个开关有一个控制信号。 本电路中cd4066控制器控制电路的导通与关断,从而分别控制电路的采样与保持状态,设计简单实用。 来源:lidy
如图所示是由十进制计数/分配器cd4017、四双向模拟开关cd4066、可编程定时器cd4541b以及六反相器cd4069等组成的具有调光延时功能的电路图,该电路经常用来做床头灯。 调光延时灯电路 在电路图中,d1、d2与c11、r24等组成可控多谐振荡器,其产生的振荡脉冲作为控制脉冲传输给cd4017。cd4541b与cd4066等组成定时控制器。 接通电源的瞬间,电流经c12、r21后将cd4017的复位端置于高电平,cd4017复位清零,电路不工作。 当第一次按下sb时,产生一个脉冲信号加至cd4017的cp端,计数器开始工作,其输出端q1输出高电平,三极管vt1导通,led1发光,vs4在r1的触发下导通,灯泡h以正常亮度发光。 第二次按下sb时,cd4017的输出端q2输出高电平,三极管vt2导通,led2发光,vs1在v的触发下导通,同时vs4在r5、c12、vd9的触发下也导通,因为r5阻值大,因此灯以较暗的亮度发光。 第三次按下sb时,cd4017的输出端q3输出高电平,三极管vt3导通,led3发光,vs2在r3的触发下导通,同时vs4在r6、c12、vd
cd4066 控制开关型号 cd4066,没用好,还有其它的没有代替?cd4066 控制开关型号 cd4066,没用好,还有其它的没有代替?
是否有多路光耦器件? 请教各位: 有四路模拟量信号,我之前用cd4066来控制信号通断,可是cd4066很容易损坏,而且耗电量很大。是否有可替代cd4066的其他集成电路。 八路按钮控制的开关量信号,直接跟单片机i/o相接,实验证明,单片机很容易被静电损坏,或者程序跑飞,死机。想用光耦隔离器件,但常用的光耦器件,大多数单路,请问有没有四路或者八路的光耦集成电路。 谢谢!
cd4066可不可以这样用?有图,走过路过进来看看!用cd4066的一半做开关的功能,余下的一半替代cd4013,因为板的空间不够,也可能是节约成本的关系。请问:1、电路能正常工作吗?(按an-a选通s1-a,按an-b选能s2-s)2、cd4066在2.5-3v的电压下能工作吗?(只用两节1.5v的电池)欢迎批评!谢谢!!../uploadfile/200705122012547552.jpg
哪位大侠知道什么块子能代替cd4066哪位大侠知道什么块子能代替cd4066 ?因为cd4066资料上显示其开关电流能力只有20ma.
cd4066的应用问题,古怪!各位大侠,请帮忙分析一下!cd4066四路开关用作仪放ad521的3档放大,1x、10x、100x,,其中一路没用。1x使用13、1、2脚,10x使用12、11、10脚,100x使用5、3、4脚,其中ad521为+/-12v模拟供电,cd4066为+5v数字电,问题是当使能13脚及1x档时,同时10x档也闭合了,拔掉芯片4066,短路1、2脚,ad521的1x档放大正常,插上芯片剪掉11、10脚(没办法,够狠吧!!),ad521的1x档放大正常,12脚使能并没有悬空,请各位大侠分析一下,问题处在哪里?乖乖的 以前用的挺好!可惜 电路图传不上去!!