故障现象:2003款广本雅阁(3.0l)轿车发动机故障灯亮,加速不良。 故障诊断与排除:首先读取故障码,故障码为p0506,其含义是怠速空气控制系统低于期望值,可能原因是iacv阀堵塞、漏气或有敬障。 查阅维修资料3.0l发动机iacv阀无此故障码。于是更换电子节气门体试车,故障排除。 必须注意的是,故障码虽然显示是怠速控制阀故障。但是2003款雅阁(3.0l车)没有怠速电动机,它是依靠电子节气门体来控制怠速,所以更换电子节气门即可。 来源:ks99
故障现象:上海别克gs轿车,配备3.0l v6发动机,该车无法启动,且仪表板上的se-curity(安全)指示灯不停地闪烁。 故障诊断与排除:启动发动机,启动机没有反应。测量蓄电池电压为12.5v,正常。用通用故障诊断仪tech 2读取发动机控制模块(pcm)和车身控制模块(bcm)的故障码,pcm没有故障码,bcm有两个故障码,分别为b2960和b2961。其中,b2960含义为无效的钥匙代码被提供;b2961含义为点火钥匙电路故障。说明该车的防启动控制系统有问题。 该车的防启动控制系统是防止他人使用私自配制的点火钥匙来盗窃车辆的安全防护装置。防启动控制系统主要由带有电阻晶片的钥匙、点火钥匙信号接收器(也称应答器)、bcm、pcm、防启动控制指示灯和仪表板模块安全灯(ipc)等组成,整个系统由bcm和pcm进行控制。防启动控制系统各部件组成如图1所示。 图1 别克轿车防启动控制系统部件 该车采用具有防盗功能的万能钥匙(pass-keyii)点火开关,当点火开关钥匙内的电阻片与点火开关锁芯内的传感触点相接触,即当钥匙和锁芯—起转动时,bc
故障现象:2003款北京帕杰罗速跑(pajer0 sport)3.0l汽车,自动定速巡航失效。 故障诊断与排除:该车巡航系统与其他车型定速巡航系统大致相同,在结构上,该系统将真空执行器与节气门融合一体,取消中间连线和拉线,其中控制开关不仅能操作自动定速巡航,同时对于定速巡航中的故障,可以人工读取故障码,这一点是与其他车型不同之处。 根据上述故障现象,先读取故障码,具体渎码方法如下(不用mut-ⅱ)。 (1)在接通设定开关set的情况下,将点火开关打到on位。 (2)在is内接通恢复开关(resume)。 (3)再次接通设定开关set,踩制动踏板5s或更长时间,通过cruise灯闪亮读取故障码。 读得故障码12,其含义是车速传感器信号异常。于是仔细检查车速传感器及其线路,发现其插线脱落。将插线插好后,试车,自动定速巡航系统功能恢复,故障排除。 欢迎转载,信息来源维库电子市场网(www.dzsc.com) 来源:ks99
故障现象:2003年生产的上海别克gl8乘用车,装备3.0l v6发动机及4765-e型电控液力自动变速器。该车在变速器选挡杆位于d位起步时有冲击现象,但高速和减速行驶时正常。 故障诊断与排除:启动发动机,发动机运转平稳,怠速转速为800r/min。将选挡杆置于n挡时踩加速踏板,发动机转速提升很快,能达到5 000r/min以上,且运转平稳无异响,说明发动机无故障。检查自动变速器油(ate),液面高度在标准范围内,但油质已呈暗褐色(正常情况应为红色)。 该车4t65-e型自动变速器采用压力控制电磁阀和换挡电磁阀进行挡位变换。 压力控制电磁阀是一种脉冲式电磁阀,电磁阀在脉冲信号的作用下不断反复地开启和关闭泄油孔,pcm通过改变脉冲宽度,即占空比(电流接通和断开的时间比例),来改变电磁阀的开启时间比例。电磁阀开启的时间长油压就低,开启的时间短油压就高,从而达到控制油路压力的目的,以保证换挡时离合器接合平稳、制动器制动柔和。 换挡电磁阀是一种开关式电磁阀,4t65-e型自动变速器配有两个换挡电磁阀,可实现4种组合(即4个前进挡)。pcm通过控制换挡电磁阀的通电或断电,使油
故障现象:2004年产广州本田雅阁3.0l轿车,有时加油不走车,但将车熄火,重新启动则能够继续行驶。 故障诊断与排除:根据上述故障现象,怀疑变速器控制单元因受到干扰产生错误信号。先检查火花塞和点火线圈,没有发现异常。 接着利用故障诊断仪hds对此车做了“行车记录器”,分析得知变速器在4挡的位置上打滑,继续前行变速器仍然没有减挡,当时间达到55s时,变速器由4挡降到1挡。 利用故障诊断仪hds对变速器控制系统进行检测,未发现任何故障码。 仔细检查发现车辆在冷车启动后变速器内会发出“吱吱”的异响声,类似气流的声音,怀疑变速器的油路有问题。 于是测量变速器的系统油压,显示主油压偏低,初步确定为变速器油滤芯过脏。 拆检变速器发现变速器油滤芯已被堵死。清洁并更换新件后,故障排除。 来源:ks99

如图所示别克3.0L发动机点火电路图
97年凌志ES300 3.0L 发动机性能电路图如下所示:

欢迎转载,信息来源维库电子市场网(...
96年凌志ES300 3.0L发动机性能电路图如下所示:

95年凌志ES300 3.0L发动机性能电路图如下所示:

欢迎转载,信息来源维库电子市场网(<...
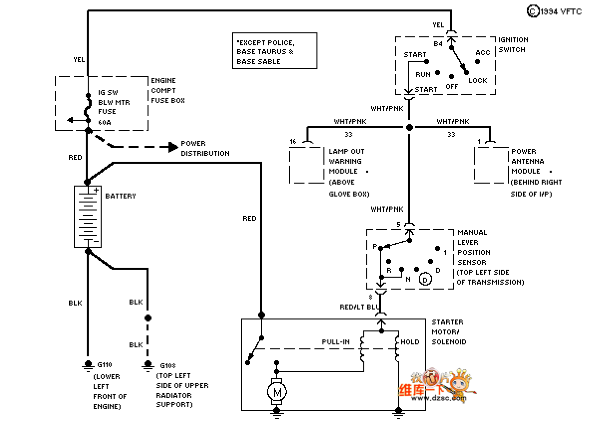
马自达94TAURUS(3.0L)起动电路如下图所示:

欢迎...
2010年,德国保时捷将上市suv的混合动力车“cayenne s hybrid”。cayenne s hybrid的动力传动系统是由德国奥迪生产的带超增压器的3.0l直喷v型6缸发动机、输出功率为38kw的ni-mh(镍氢)充电电池、马达及8速自动变速箱组成。配备了在发动机及变速箱之间设置马达的并联式混合动力系统,实现了与v型8缸发动机车同等的动力性能,以及与4缸发动机车同等的燃效。 充电电池重量约为70kg,尺寸为348×632×292mm,可收纳在放置备用轮胎的空间内,因此行李舱容量与普通车型相同。发动机的最高输出功率为248kw(333hp),最大扭矩为439n·m/2900~5300rpm。马达的输出功率为39kw(52hp),扭矩为300n·m。从停止状态加速至100km/h需要6.8秒。eu综合燃效为11.1km/l以上,符合美国尾气排放规定“ulev ii”。cayenne s hybrid与具有同等输出功率的发动机车相比,co2排放量削减了2成左右。 混合动力系统除了马达及发动机组合使用的模式之外,还备有仅利用马达和仅利用发动机的模式。仅利用马达时可从停止状态
如图所示别克3.0l发动机点火电路图 来源:university
97年凌志es300 3.0l 发动机性能电路图如下所示: 欢迎转载,信息来源维库电子市场网(www.dzsc.com) 来源:与你同行
马自达94taurus(3.0l)abs电路如下图所示: 欢迎转载,信息来源维库电子市场网(www.dzsc.com) 来源:lover
96年凌志es300 3.0l发动机性能电路图如下所示: 欢迎转载,信息来源维库电子市场网(www.dzsc.com) 来源:与你同行
95年凌志es300 3.0l发动机性能电路图如下所示: 欢迎转载,信息来源维库电子市场网(www.dzsc.com) 来源:与你同行