最近看的关于nRF51822-CFAC的芯片使用中文手册,今天就着重给大家说说NRF51822-CFAC蓝牙芯片,其实NRF51822系列出来也挺长时间了,相信很多工程朋友们对它都不陌生,甚至是非常熟悉。但是因为小编最近才重点去了解NORDIC蓝牙低功耗的芯片,所以现在也借着机会浅谈下个人对NRF51822-CFAC芯片的使用。
nRF51822-CFAC是一个功能强大、高度灵活的多协议SoC,非常适合蓝牙
智能(也称为蓝牙低能耗)和2.4GHz超低功耗无线应用程序。
nRF51822-CFAC是围绕一个32位ARM
Cortex
M0 CPU构建的,具有256kB/128kB闪存+ 32kB/16kB RAM。嵌入式2.4 GHz收发机支持蓝牙智能和北欧Gazell 2.4 GHz协议栈,该协议栈在air上兼容北欧半导体公司的nRF24L系列产品。
特性:
● 2.4GHz射频收发器
● 低功耗蓝牙模式下的接收灵敏度-93dBm
● 支持1Mbps,2Mbps,250kbps的速率
● TX****功率从-20~+4dBm以4dB为间隔
● RX和TX(0dBm)的峰值电流分别为9.7mA和8mA(0dBm) @DC/DC|
● ARM Cortex M0 32位处理器
● 在FLASH中运行时功耗为275uA/MHz|
● 在RAM中运行时功耗为150uA/MHz
● 单线调试接口(SWD)
● 支持并行多协议
● 支持BLE、私有2.4G多种协议
● 灵活的电源管理
● 支持电压范围1.8~3.6V
● 0.6uA @3V OFF关闭模式
● 2.6uA @3V ON模式带,系统空闲
● 256kB或128kB flash/16kB或32kB RAM
● 丰富的外设及接口
● 8个可配置的ADC通道
● 温度传感器
● 31个GPIO
● 主从模式的SPI接口
● 主模式的I2C接口
● 可编程外设接口(PPI)
● 正交****(QDEC)
● UART(CTS/RTS)
● RTC
● AES硬件加密
NRF51822-CFAC等系列选型表:
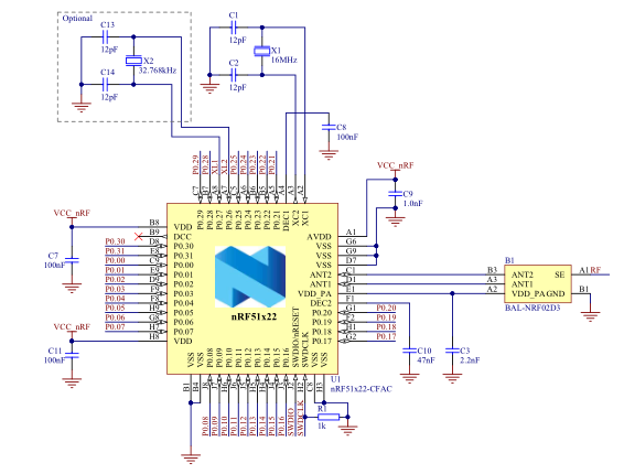
引脚图:
参考示意图:

应用领域:
Beacon
智能BLE MESH彩灯
智能小家电
无线语音遥控
无线键盘、鼠标
防丢器
无线充电
智能蓝牙门锁
以上,是小编目前总结到的一些NRF51822-CFAC芯片使用的资料,写得不够好的地方还请见谅,各位行业大咖们,如果还要更深入地了解或者分享更多关于NRF51822或者NORDIC系列的其他蓝牙芯片的信息,可以通过相关联系方式与小编对接,咱们互相探讨!
姓名:动能世纪赵小姐
QQ号:2355239052
手机:13682541534
邮箱:sale24@dn-ic.com
公司名称:深圳市动能世纪科技有限公司



我要赚赏金
