为了便于不同层次的读者都能基本的理解本文,所以我先来介绍一下很多用户都知道的东西。RAM主要的作用就是存储代码和数据供CPU在需要的时候调用。但是这些数据并不是像用袋子盛米那么简单,更像是 图书馆中用有格子的书架存放书籍一样,不但要放进去还要能够在需要的时候准确的调用出来,虽然都是书但是每本书是不同的。对于RAM等存储器来说也是一样的,虽然存储的都是代表0和1的代码,但是不同的组合就是不同的数据。
让我们重新回到书和书架上来,如果有一个书架上有10行和10列格子(每行和每列都有0-9的编号),有100本书要存放在里面,那么我们使用一个行的编号+一个列的编号就能确定某一本书的位置。如果已知这本书的编号87,那么我们首先锁定第8行,然后找到第7列就能准确的找到这本书了。在RAM存储器中也是利用了相似的原理。
现在让我们回到RAM存储器上,对于RAM存储器而言数据总线是用来传入数据或者传出数据的。因为存储器中的存储空间是如果前面提到的存放图书的书架一样通过一定的规则定义的,所以我们可以通过这个规则来把数据存放到存储器上相应的位置,而进行这种定位的工作就要依靠地址总线来实现了。对于CPU来说,RAM就象是一条长长的有很多空格的细线,每个空格都有一个唯一的地址与之相对应。如果CPU想要从RAM中调用数据,它首先需要给地址总线发送地址数据定位要存取的数据,然后等待若干个时钟周期之后,数据总线就会把数据传输给CPU。下面的示意图可以帮助你很好的理解这个过程。

存储原理
上图中的小园点代表RAM中的存储空间,每一个都有一个唯一的地址线同它相连。当地址解码器接收到地址总线送来的地址数据之后,它会根据这个数据定位CPU想要调用的数据所在的位置,然后数据总线就会把其中的数据传送到CPU。
上面所列举的例子中CPU在一行数据中每次知识存取一个字节的数据,但是在现实世界中是不同的,通常CPU每次需要调用32bit或者是64bit的数据(这是根据不同计算机系统的数据总线的位宽所决定的)。如果数据总线是64bit的话,CPU就会在一个时间中存取8个字节的数据,因为每次还是存取1个字节的数据,64bit总线将不会显示出来任何的优势,women工作的效率将会降低很多。
从“线”到“矩阵”
如果RAM对于CPU来说仅仅是一条“线”的话,还不能体现实际的运行情况。因为如果实际情况真的是这样的话,在实际制造芯片的时候,会有很多实际的困难,特别是在需要设计大容量的RAM的时候。所以,一种更好的能够降低成本的方法是让存储信息的“空格”排列为很多行--每个“空格”对应一个bit存储的位置。这样,如果要存储1024bits的数据,那么你只要使用32x32的矩阵就能够达到这个目的了。很明显,一个32x32的矩阵比一个1024bit的行设备更紧凑,实现起来也更加容易。请看下图:

知道了RAM的基本结构是什么样子的,我们就下面谈谈当存储字节的过程是怎样的:上面的示意图显示的也仅仅是最简单状态下的情况,也就是当内存条上仅仅只有一个RAM芯片的情况。对于X86处理器,它通过地址总线发出一个具有22位二进制数字的地址编码--其中11位是行地址,另外11位是列地址,这是通过RAM地址接口进行分离的。行地址解码器(row decoder)将会首先确定行地址,然后列地址解码器(column decoder)将会确定列地址,这样就能确定唯一的存储数据的位置,然后该数据就会通过RAM数据接口将数据传到数据总线。另外,需要注意的是,RAM内部存储信息的矩阵并不是一个正方形的,也就是行和列的数目不是相同的--行的数目比列的数目少。(后面我们在讨论DRAM的过程中会讲到为什么会这样)

上面的示意图粗略的概括了一个基本的SRAM芯片是如何工作的。SRAM是“static RAM(静态随机存储器)”的简称,之所以这样命名是因为当数据被存入其中后不会消失(同DRAM动态随机存储器是不同,DRAM必须在一定的时间内不停的刷新才能保持其中存储的数据)。一个SRAM单元通常由4-6只晶体管组成,当这个SRAM单元被赋予0或者1的状态之后,它会保持这个状态直到下次被赋予新的状态或者断电之后才会更改或者消失。SRAM的速度相对比较快,而且比较省电,但是存储1bit的信息需要4-6只晶体管制造成本太高了(DRAM只要1只晶体管就可以实现)。
RAM芯片和SRAM芯片
RAM芯片:
前面的介绍都相对比较简单、抽象。下面我们会结合实际的RAM芯片进行介绍。在谈到这个问题的时候,我们会涉及到一个比较重要的技术:封装。你应该听说过诸如30线SIMMS、72线SIMMS和168线DIMMS或者RIMMs其中的一个或者几个术语吧。如果要解释这些术语之间的不同,就应该了解RAM的封装技术。
SRAM芯片:
早期的SRAM芯片采用了20线双列直插(DIP:Dual Inline Package)封装技术,它们之所以具有这么多的针脚,是因为它们必须:每个地址信号都需要一根信号线;一根数据输入线和一根数据输出线部分控制线(Write Enable, Chip Select);线和电源线

上图显示的是SRAM芯片,但是并不是下面示意图中的SRAM芯片,下面的是一个16K x 1-bit SRAM芯片的针脚功能示意图:

A0-A13是地址输入信号引脚,CS是芯片选择引脚。在一个实际的系统中,一定具有很多片SRAM芯片,所以需要选择究竟从那一片SRAM芯片中写入或者读取数据。WE是写入启用引脚(如上表,在CS、WE上面的线我没有写入,表示低电平有效或者是逻辑0时有效):当SRAM得到一个地址之后,它需要知道进行什么操作,究竟是写入还是读取,WE就是告诉SRAM要写入数据。Vcc是供电引脚。Din是数据输入引脚。Dout是数据输出引脚。GND是接地引脚
Output:
Enable(OE):有的SRAM芯片中也有这个引脚,但是上面的图中并没有。这个引脚同WE引脚的功能是相对的,它是让SRAM知道要进行读取操作而不是写入操作。从Dout引脚读取1bit数据需要以下的步骤:
SRAM读取操作:1)通过地址总线把要读取的bit的地址传送到相应的读取地址引脚(这个时候/WE引脚应该没有激活,所以SRAM知道它不应该执行写入操作)。2)激活/CS选择该SRAM芯片。3)激活/OE引脚让SRAM知道是读取操作。第三步之后,要读取的数据就会从DOut引脚传输到数据总线。怎么过程非常的简单吧?同样,写入1bit数据的过程也是非常的简单的。SRAM写入操作:1)通过地址总线确定要写入信息的位置(确定/OE引脚没有被激活)。2)通过数据总线将要写入的数据传输到Dout引脚。3)激活/CS引脚选择SRAM芯片。4)激活/WE引脚通知SRAM知道要尽心写入操作。
经过上面的四个步骤之后,需要写入的数据就已经放在了需要写入的地方。
DRAM芯片介绍
现在我们知道了在一个简单的SRAM芯片中进行读写操作的步骤了了,然后我们来了解一下普通的DRAM芯片的工作情况。DRAM相对于SRAM来说更加复杂,因为在DRAM存储数据的过程中需要对于存储的信息不停的刷新,这也是它们之间最大的不同。下面让我们看看DRAM芯片的针脚的作用。
最早、最简单也是最重要的一款DRAM芯片是Intel在1979年发布的2188,这款芯片是16Kx1 DRAM 18线DIP封装。“16K x 1”的部分意思告诉我们这款芯片可以存储16384个bit数据,在同一个时期可以同时进行1bit的读取或者写入操作。(很抱歉找不到这款芯片的实物图片,只好自己简单的画了一个示意图)。

上面的示意图可以看出,DRAM和SRAM之间有着明显的不同。首先你会看到地址引脚从14根变为7根,那么这颗16K DRAM是如何完成同16K SRAM一样的工作的呢?答案很简单,DRAM通过DRAM接口把地址一分为二,然后利用两个连续的时钟周期传输地址数据。这样就达到了使用一半的针脚实现同SGRAM同样的功能的目的,这种技术被称为多路技术(multiplexing)。
那么为什么好减少地址引脚呢?这样做有什么好处呢?前面我们曾经介绍过,存储1bit的数据SRAM需要4-6个晶体管但是DRAM仅仅需要1个晶体管,那么这样同样容量的SRAM的体积比DRAM大至少4倍。这样就意味着你没有足够空间安放同样数量的引脚(因为针脚并没有因此减少4倍)。当然为了安装同样数量的针脚,也可以把芯片的体积加大,但是这样就提高芯片的生产成本和功耗,所以减少针脚数目也是必要的,对于现在的大容量DRAM芯片,多路寻址技术已经是必不可少的了。
当然多路寻址技术也使得读写的过程更加复杂了,这样在设计的时候不仅仅DRAM芯片更加复杂了,DRAM接口也要更加复杂,在我们介绍DRAM读写过程之前,请大家看一张DRAM芯片内部结构示意图:

在上面的示意图中,你可以看到在DRAM结构中相对于SRAM多了两个部分:由/RAS (Row Address
Strobe:行地址脉冲选通器)引脚控制的行地址门闩线路(Row Address Latch)和由/CAS(Column Address Strobe:列地址脉冲选通器)引脚控制的列地址门闩线路(Column Address Latch)。DRAM读取过程:1)通过地址总线将行地址传输到地址引脚。2)/RAS引脚被激活,这样行地址被传送到行地址门闩线路中。3)行地址解码器根据接收到的数据选择相应的行。

4)/WE引脚被确定不被激活,所以DRAM知道它不会进行写入操作。5)列地址通过地址总线传输到地址引脚。6)/CAS引脚被激活,这样列地址被传送到行地址门闩线路中。7)/CAS引脚同样还具有/OE引脚的功能,所以这个时候Dout引脚知道需要向外输出数据。

8)/RAS和/CAS都不被激活,这样就可以进行下一个周期的数据操作了。其实DRAM的写入的过程和读取过程是基本一样的,所以如果你真的理解了上面的过程就能知道写入过程了,所以这里我就不赘述了。(只要把第4步改为/WE引脚被激活就可以了)。
RAM基础知识
我们已经提到过,DRAM同SRAM最大的不同就是不能比较长久的保持数据,这项特性使得这种存储介质对于我们几乎没有任何的作用。但是DRAM设计师利用刷新的技术使得DRAM称为了现在对于我们最有用处的存储介质。这里我仅仅简要的提及一下DRAM的刷新技术,因为在后面介绍FP、EDO等类型的内存的时候,你会发现它们具体的实现过程都是不同的。
DRAM内仅仅能保持其内存储的电荷非常短暂的时间,所以它需要在其内的电荷消失之前就进行刷新直到下次写入数据或者计算机断电才停止。每次读写操作都能刷新DRAM内的电荷,所以DRAM就被设计为有规律的读取DRAM内的内容。这样做有下面几个好处。第一,仅仅使用/RAS激活每一行就可以达到全部刷新的目的;第二,DRAM控制器来控制刷新,这样可以防止刷新操作干扰有规律的读写操作。在文章的开始,我曾经说过一般行的数目比列的数据少。现在我可以告诉为什么会这样了,因为行越少用户刷新的时间就会越少。
RAM模块基础:
在前面的一节文章中我们对于DRAM和SRAM的基本工作原理做了一些简单的介绍,在我们所列举的例子中都是介绍了最基本的存储单元的工作模式,所以应该不难理解,看到很多朋友对于这个方面的东西很感兴趣,今天我就继续介绍关于RAM(Random Access Memory)的部分知识。理解这个部分知识,是更好的了解以后我们介绍各种RAM的实际工作情况的基础。
在SRAM或者DRAM的每一个基本存储单位(也就是上一节中介绍用来存储1bit信息的存储单位)都只能存储0或者1这样的数据,而且在上一节中IDT6167和Intel 2188芯片都仅仅只有Din(数据输入)和Dout(数据输出接口),而CPU存取数据的时候是按照字节(也就是8bit)来存储的,那么RAM究竟如何满足CPU的这样的要求呢?
首先为了能存储1字节(8 bit)的信息,就需要8个1bit RAM基本存储单元堆叠在一起,这也意味着这8颗芯片被赋予了同样的地址。下面的示意图可以帮助你比较形象的了解这一点(下图所示的图例中仅仅画了4个存储单元,大家当成8个来看就可以了)。

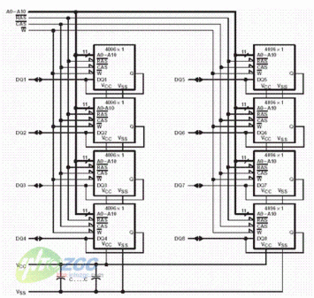
通常这8颗1bit芯片是通过地址总线和数据总线在PCB(印刷电路板)上连接而成的,对于CPU来说它就是一颗8bit的RAM芯片,而不再是独立的8个1 bit芯片。在上图所示的地址总线位宽是22bit,这样这个地址总线所能控制的存储模块的容量应该是222=4194304bit,也就是4MB的容量;数据总线的位宽是8bit,就是通过刚才提到的8个1bit的基本存储单元的Dout并联在一起实现的--这样也能够满足CPU的要求了。(对于这种存储颗粒我们称之为4194304 x 8模块或者4Mx8,注意这里的“M”不是“MByte”而是“Mbit”)。为了举例说明,我们用一条TI(德仪公司)出品的TM4100GAD8 SIMM内存为例来说明,因为这种内存的构造相对比较简单,便于大家理解。TM4100GAD8基于4M x 8模块制造,容量4MB,采用30线SIMM封装。如果前面我说的东西你看明白了,就应该知道这条内存采用了4Mx1 DRAM颗粒。下面的数据是我在TI官方网站上找到的(目前很少有公司的网站还提供自己以前产品的数据):构造:4194304 × 8。工作电压:5-V。30线SIMM(Single In-Line Memory Module:SIMM)。采用8片4Mbit DRAM内存颗粒,塑料SOJs封装。长刷新期16 ms(1024周期)。

在上面的示意图中,A0–A10是地址输入引脚。/CAS:行地址脉冲选通器引脚。DQ1–DQ8:数据输入/数据输出引脚。NC:空信号引脚。/RAS:列地址脉冲选通器引脚。VSS:接地引脚。/W:写入启用引脚。VCC 5V供电引脚。

上面的电路示意图应该能够让我们更加清楚的理解这个问题,TM4100GAD8由8片4096x1bit芯片组成,VCC和VSS为所有的芯片提供5v的电压。每个芯片都具有/RAS、/CAS、/W引脚同内存相应的引脚连通。每个芯片都具有不同的数据输出/输出接口。这样我们应该就能够知道RAM是如何满足CPU存取数据的需要的了
















我要赚赏金
