随着互联网的迅速发展,网络用户飞速增长,在使用计算机进行网络互联的同时,各种家电设备、仪表设备及工业中数据采集与控制设备也在逐步走向网络化,基于此结合专用的以太网控制芯片RTL8019学习了利用单片机实现以太网接口的设计。
主要器件:
1、 AT89C52单片机芯片,实现对RTL8019的初始化和输入输出控制。
2、 74LS373地址锁存器。
3、 HM62256高速CMOS 8位32KB的RAM芯片。
4、 RTL8019AS高集成以太网控制器芯片。
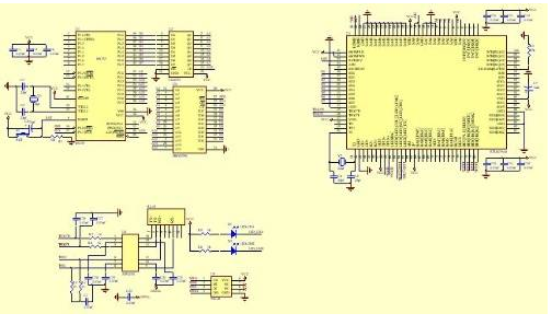
试验电路图:

试验程度代码:
//Ethernet.h程序
#ifndef _ETHERNET_H // 防止Ethernet.h被重复引用
#define _ETHERNET_H
#include // 引用标准库的头文件
#include
#include
#define uchar unsigned char
#define uint unsigned int
#define REG00 XBYTE[0x8000] // 端口300H,命令寄存器CR
#define REG01 XBYTE[0x8001] // 端口301H
#define REG02 XBYTE[0x8002] // 端口302H
#define REG03 XBYTE[0x8003] // 端口303H
#define REG04 XBYTE[0x8004] // 端口304H
#define REG05 XBYTE[0x8005] // 端口305H
#define REG06 XBYTE[0x8006] // 端口306H
#define REG07 XBYTE[0x8007] // 端口307H
#define REG08 XBYTE[0x8000] // 端口308H
#define REG09 XBYTE[0x8001] // 端口309H
#define REG0a XBYTE[0x800a] // 端口30aH
#define REG0b XBYTE[0x800b] // 端口30bH
#define REG0c XBYTE[0x800c] // 端口30cH
#define REG0d XBYTE[0x800d] // 端口30dH
#define REG0e XBYTE[0x800e] // 端口30eH
#define REG0f XBYTE[0x800f] // 端口30fH
#define REG10 XBYTE[0x8010] // 端口310H
#define REG11 XBYTE[0x8011] // 端口311H
#define REG12 XBYTE[0x8012] // 端口312H
#define REG13 XBYTE[0x8013] // 端口313H
#define REG14 XBYTE[0x8014] // 端口314H
#define REG15 XBYTE[0x8015] // 端口315H
#define REG16 XBYTE[0x8016] // 端口316H
#define REG17 XBYTE[0x8017] // 端口317H
#define REG18 XBYTE[0x8010] // 端口318H
#define REG19 XBYTE[0x8011] // 端口319H
#define REG1a XBYTE[0x801a] // 端口31aH
#define REG1b XBYTE[0x801b] // 端口31bH
#define REG1c XBYTE[0x801c] // 端口31cH
#define REG1d XBYTE[0x801d] // 端口31dH
#define REG1e XBYTE[0x801e] // 端口31eH
#define REG1f XBYTE[0x801f] // 端口31fH
void delay(uint t);
void SelectPage(uchar pagenum);
void ClearISR();
void GetPhyAdd();
void RTL8019Init();
#endif
//Ethernet.c程序
#include "Ethernet.h"
/* 主函数 */
void main(void)
{
delay(1000); // 延时1s,保证电源稳定和网卡自身的上电完成
NICRst(); // RTL8019AS热复位
ClearISR(); // 清除ISR寄存器
RTL8019Init(); // 初始化RTL8019AS
while(1)
{
;
}
}
/* 延时t毫秒 */
void delay(uint t)
{
uint i;
while(t--)
{
/* 对于12M时钟,约延时1ms */
for (i=0;i<125;i++)
{}
}
}
/* RTL8019AS热复位 */
void NICRst()
{
uchar i,tmp;
tmp = REG1f; // 读RTL8019AS的复位端口
REG1f = tmp; // 写RTL8019AS的复位端口
for(i=0;i<250;i++); // 适当延时
}
/* 通过CR寄存器的PS1和PS0设置寄存器页 */
void SelectPage(uchar pagenum)
{
uchar tmp;
tmp = REG00;
tmp = tmp&0x3B; // 注意不是0x3F,TXP位在不发送时要置0
pagenum = pagenum<<6;
tmp = tmp|pagenum;
REG00 = tmp;
}
接上篇程序代码:
/* 初始化RTL8019AS,PAGE2寄存器只读,PAGE3寄存器不是NE2000兼容的,均不用设置 */
/* 使用0x40-0x4b为网卡的发送缓冲区,共12页,刚好存储2个最大的以太网数据包。
使用0x4c-0x7f为网卡的接收缓冲区,共52页。因此PSTART=0x4c,PSTOP=0x80
(0x80为停止页,接收缓冲区直到0x7f,不包括0x80)。刚开始时,网卡没有接收
到任何数据包,因此BNRY设置为指向第一个接收缓冲区的页0x4c) */
void RTL8019Init()
{
REG00 = 0x21; // 选择页0的寄存器,网卡停止运行,因为还没有初始化
REG01 = 0x4c; // 寄存器PSTART,设置接收缓冲区的起始页的地址
REG02 = 0x80; // 寄存器PSTOP,设置接收缓冲区的结束页的地址
REG03 = 0x4c; // 寄存器BNRY,设置为指向第一个接收缓冲区的页0x4c(用作读指针)
REG04 = 0x40; // 寄存器TPSR,发送起始页地址初始化为指向第一个发送缓冲区的页
REG0c = 0xcc; /* 接收配置寄存器RCR,设置为仅接收自己地址的数据包以及广播地址
和多点播送地址数据包,小于64字节的包丢弃,校验错的数据包不接收 */
REG0d = 0xe0; // 发送配置寄存器TCR,设置为启用crc自动生成和校验,正常模式工作
REG0e = 0xc8; /* 数据配置寄存器DCR,设置为使用FIFO缓存,普通模式,8位数据传输,
字节顺序为高位字节在前,低位字节在后 */
REG0f = 0x00; // 中断屏蔽寄存器IMR,设置为屏蔽所有中断
SelectPage(1); // 选择页1的寄存器
REG07=0x4d; // 寄存器CURR,设置为指向当前正在写的页的下一页(用作写指针)
/* 多址地址寄存器MAR0-MAR7均设置为0x00 */
REG08 = 0x00; // MAR0
REG09 = 0x00; // MAR1
REG0a = 0x00; // MAR2
REG0b = 0x80; // MAR3
REG0c = 0x00; // MAR4
REG0d = 0x00; // MAR5
REG0e = 0x00; // MAR6
REG0f = 0x00; // MAR7
GetPhyAdd(); // 获取以太网物理地址
REG00 = 0x22; // 选择页0寄存器,执行命令。
}
/* 上电后清除ISR寄存器 */
void ClearISR()
{
SelectPage(0);
REG07 = REG07|0xff;
}
/* 获取以太网物理地址 */
void GetPhyAdd()
{
uchar tmp;
SelectPage(0); // 选择页0
REG08 = 0; // 远程DMA起始地址低位寄存器RSAR0,设置为0
REG09 = 0; // 远程DMA起始地址高位寄存器RSAR1,设置为0
REG0a = 12; // 远程DMA计数器低位寄存器RBCR0,设置为12
REG0b = 0; // 远程DMA计数器高位寄存器RBCR1,设置为0
REG00 = 0x0a; // 远程DMA,启动命令
SelectPage(1); // 选择页1
tmp = REG10; // 读取一个字节
REG01 = tmp; // 写入PAR0
tmp = REG10; // 读取一个重复的字节,这个字节被丢弃
tmp = REG10; // 读取一个字节
REG02 = tmp; // 写入PAR1
tmp = REG10; // 读取一个重复的字节,这个字节被丢弃
tmp = REG10; // 读取一个字节
REG03 = tmp; // 写入PAR2
tmp = REG10; // 读取一个重复的字节,这个字节被丢弃
tmp = REG10; // 读取一个字节
REG04 = tmp; // 写入PAR3
tmp = REG10; // 读取一个重复的字节,这个字节被丢弃
tmp = REG10; // 读取一个字节
REG05 = tmp; // 写入PAR4
tmp = REG10; // 读取一个重复的字节,这个字节被丢弃
tmp = REG10; // 读取一个字节
REG06 = tmp; // 写入PAR5
}
责任编辑;zl
电子发烧友App














评论