P7200多功能控制器的内核是Rabbit 2000微处理器,它以CPLD作为译码单元,同时扩充片外Flash存储器和SRAM存储器。在接口方面,微处理器Rabbit 2000直接控制RS485
2019-10-16 06:30:18
uchar unsigned char/*************************MT8880****************************/void InintMT(uchar a
2018-07-13 09:26:13
概述:97500CU是一款单片机为8位微处理器,采取40脚双列直插塑封形式。97500CU广泛应用于全自动洗衣机微电脑控制电路中。 一、97500CU引脚功能
2021-04-06 09:35:52
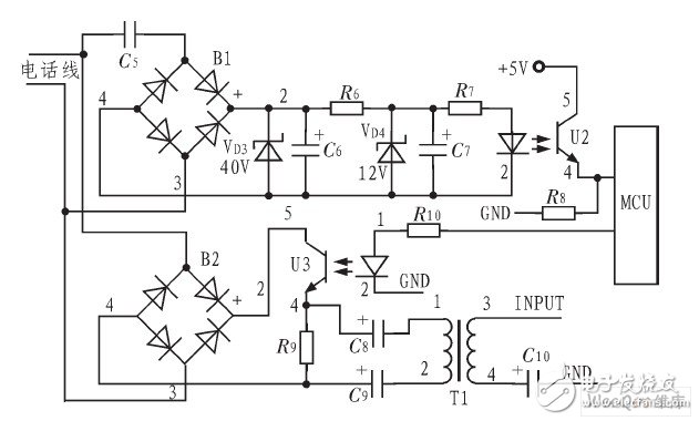
MT8880接口电路
2008-10-15 13:59:02
这里的PIC单片机指的是Microchip公司制造的系列单片机,见www.microchip.com。首先我们先区分单片机、微控制器(MCU)、微处理器的概念,微控制器是指同一芯片上集成了微处理器
2011-03-04 15:54:36
,PIC 共享的部分相当于人的神经系统。PIC 单片机是一个小的计算机 PIC单片机有计算功能和记忆内存像CPU并由软件控制允行。然而,处理能力—存储器容量却很有限,这取决于PIC的类...
2021-11-24 08:12:36
,PIC 共享的部分相当于人的神经系统。PIC 单片机是一个小的计算机 PIC单片机有计算功能和记忆内存像CPU并由软件控制允行。然而,处理能力—存储器容量却很有限,这取决于PIC的类...
2021-11-24 07:38:06
请教:现在用mt8880拨打手机,一般的手机都是彩铃了,也就是说彩铃就是回铃音,请问这个彩铃回铃音与电话的是不是一样的,是不是也可以用检测电话回铃音的器件LM567来检测手机的回铃音?
2013-08-12 16:48:56
如题,本人想用mt8880做一个拨号电路,但是在检测被叫摘机上一直找不到好的方法,查阅相关资料说是最好检测反极信号,可是一般话机是没有的,还有检测回铃音,但是原理还有点模糊,希望各位大神指教一下,最好能结合mt8880来说明,小弟拜谢!
2014-05-22 21:20:58
你知道吗?不论它是叫MCU,还是微控制器、单片机,其实它们都是一种东西。今天小编特意找出这篇单片机(MCU)最强科普总结。单片机出现的历史并不长,但发展十分迅猛。它的产生与发展和微处理器(CPU
2020-10-30 08:34:05
手机版华强电子网来了,现在可以用手机找货了,手机也能收询价和报价了。一键拨号快速联系供应商,从此一切尽在手中。点击下载
2012-09-17 10:00:36
系统备份文件所在分区。可以设置密码保护,防止别人误操作,热键启动的功能类似品牌机的一键恢复,可以自定义开机热键,电脑启动时按下即可立即进入老毛桃一键还原界面。2、高级模式进一步扩展和增强了整个系统备份
2012-06-18 20:41:47
无法删除),为了系统备份的安全还可以隐藏备份文件夹或者隐藏系统备份文件所在分区。可以设置密码保护,防止别人误操作,热键启动的功能类似品牌机的一键恢复,可以自定义开机热键,电脑启动时按下即可立即进入老毛桃
2012-08-08 16:59:23
无法删除),为了系统备份的安全还可以隐藏备份文件夹或者隐藏系统备份文件所在分区。可以设置密码保护,防止别人误操作,热键启动的功能类似品牌机的一键恢复,可以自定义开机热键,电脑启动时按下即可立即进入老毛桃
2012-08-05 19:53:11
单片微处理器PIC18F23K20资料下载内容主要介绍了:PIC18F23K20功能和特性PIC18F23K20引脚功能PIC18F23K20内部方框图
2021-04-16 07:31:37
单片机爱好者、从事单片机教学的教师、致力于单片机开发应用的科技工作者的喜欢。单片机处理器模型支持:1.80512.HC113.PIC10/12/16/18/24/304.DsPIC335.AVR6.AR...
2022-02-16 06:45:12
单片机多功能电子钟
2013-07-16 13:56:56
单片机多功能编程器的特点是什么?单片机多功能编程器有哪些主要功能?
2021-09-18 06:42:22
在一片集成电路上,集成了 微处理器、存储器、io接口电路单片机控制原理:控制单片机的40个引脚输出的高低电平进行控制目的:控制内外资源的运行单片机最小系统:构成单片机最小的配置电源复位电路:提供复位
2021-07-20 06:13:43
对其进行操控。所以微控制器与单片机实际是同等概念。 微处理器指的是CPU,即组成PC主要成分的一个器件,用来理解和执行指令的一种器件。 DSP是一种特殊结构的CPU,它专门用于处理数字信号的各种功能
2016-04-05 09:32:02
微控制器与单片机实际是同等概念。微处理器指的是CPU,即组成PC主要成分的一个器件,用来理解和执行指令的一种器件。DSP是一种特殊结构的CPU,它专门用于处理数字信号的各种功能。目前有许多微处理器逐渐
2018-08-13 09:23:51
的核心CPU。最常见的微处理器是Motorola的68K系列和Intel的X86系列。早期的微控制器是将一个计算机集成到一个芯片中,实现嵌入式应用,故称单片机(single chip
2017-10-31 09:56:46
一种扩展微处理器/单片机外部中断接口的方法一、普通单片机对数字量输入信号的处理普通的微处理器(例如单片机)对数字量输入信号的处理一般采用扫描轮询和中断处理的方式。采用扫描轮询的方式很大程序上取决于
2016-10-28 19:56:17
今天了解了一下单片机的处理器,记录下这些知识点。单片机由处理器、存储器和输入输端口组成的微型控制器。处理器有基于复杂指令集和基于精简指令集两类。而单片机的处理器是基于精简指令集的。常见的Intel
2021-11-29 06:41:51
插图索引图1 报警电路方框图3图2 AD590应用电路图4图3 TGS202应用电路图4图4 ISD1420引脚5图5 AT89C51引脚7图6 MT8880接收电路连线图9图7 MT8880发送
2013-04-20 19:03:06
, ROM)和需要的外部设备集成起来小型化,这种经过大改观的微处理器系统,其所有部分都集成在了一块芯片上,称为微控制器或单片机(Micro Controller Unit, MCU)。目前MCU是应用最广
2018-02-07 11:41:21
多功能微处理器监控电路SGM706资料下载内容主要介绍了:SGM706引脚功能SGM706内部方框图SGM706命名规则
2021-04-01 07:26:51
每项新应用设计都需要一个单片机或微处理器。当在两者之间选择其一时,需要考虑一些因素。以下是微处理器、单片机的概述和对比。考虑选择微处理器(MPU)或者单片机(MCU)时,应用类型通常是关...
2021-11-01 06:13:49
每项新应用设计都需要一个单片机或微处理器。当在两者之间选择其一时,需要考虑一些因素。以下是微处理器、单片机的概述和对比。考虑选择微处理器(MPU)或者单片机(MCU)时,应用类型通常是关...
2021-12-09 06:54:45
详解微处理器和微控制器区别
2021-01-29 06:39:39
或者畸形文件夹(图形界面下无法删除),为了系统备份的安全还可以隐藏备份文件夹或者隐藏系统备份文件所在分区。可以设置密码保护,防止别人误操作,热键启动的功能类似品牌机的一键恢复,可以自定义开机热键,电脑
2012-05-27 12:46:20
经典ARM微处理器包括7种异常:1、 复位异常2、 未定义指令异常3、 软件中断异常4、 预取指令异常5、 数据异常6、 IRQ(中断)7、 FIQ(快速中断)异常,单片机为中断,笼统来讲可以把异常
2021-07-16 07:04:57
。I/O端口在功能上有所增强,每个I/O端口都可独立地设置为推挽输出或开漏输出和弱上拉,这为一些低功耗系统设计提供了节省电源的手段。它具有51系列单片机的特点。
2021-05-19 06:27:48
端口在功能上有所增强,每个I/O端口都可独立地设置为推挽输出或开漏输出和弱上拉,这为一些低功耗系统设计提供了节省电源的手段。它具有51系列单片机的特点。
2021-04-22 08:02:48
管理与转换等一些附属电路。31键的专用键盘是采用超低功耗的MSP430单片机作为控制器来对键盘进行编解码,通过自定义的串行键盘口接入系统板。显示部分是采用192*64 LCD字符型显示器。 本章首先介绍
2011-04-12 15:16:32
STV2238D总线控制多功能单片处理器相关资料分享
2021-05-21 07:02:58
SimpleWiFi串口WiFi模块一键配置功能概述目前,在嵌入式领域,智能家居、智能工业、智能公交等等控制中,WiFi已经成为了一种普遍被采用的技术。 在智能工业控制,或者智能家居的主控系统中。单片机,成为了中控系统的控制中心。而,如果采用WiFi这种无线技术的话,大家普遍采...
2021-12-16 08:24:20
一个单片机中读出来的。 第二个问题,我有一块板子,使用的是ELANSC520-100AI处理器。通电后理论上来说微处理器的BOOTCS端口
2010-08-28 17:02:50
我想做一个基于单片机的智能电话报警系统,用拨号芯片HT9200A进行拨号,经过放大电路后接电话线,但现在HT9200A输出DTMF信号经放大电路后却不能被电话交换机识别,只有按键音和拨号音,请大家帮我分析一下是什么原因呢,如何改进?[此贴子已经被作者于2009-1-2 21:33:26编辑过]
2009-01-02 21:32:33
1、通用微处理器有被让人们称为单片机,它是将计算机系统集成到了一块芯片中。通用微处理器是以某中微处理内核为核心,拥有A/D、Flash RAM等各种功能和外设。一个单片机能够延生多种产品,最大
2020-11-30 16:30:42
第一章复习要点①微处理器 p12②微型计算机p13③总线微处理器:一般也称中央处理器(CPU),是本身具有运算能力和控制功能,是微型计算机的核心。微处理器:由运算器,控制器和寄存器阵列组成!以及片
2021-07-22 06:48:44
PC、68000、MIPS、ARM系列等。嵌入式微控制器(MCU) 嵌入式微控制器又称单片机,顾名思义,就是将整个计算机系统集成到1块芯片中。嵌入式微控制器一般以某一种微处理器内核为核心,芯片内部集成
2012-02-02 15:15:33
当今社会在很多比赛中,都要用到时间的长短来衡量比赛的结果。本设计是一个利用单片机控制的多功能秒表系统。设计功能描述:1、采用51单片机作为控制芯片;2、数码管前两位显示分钟,后两位显示秒;2、正计时
2021-12-06 06:00:48
基于PIC16F887的智能电话控制系统设计系统设计实现功能proteus仿真图软件设计具体应用说明系统设计此次设计的电话系统以PIC16F887单片机为核心,用C语言编写。利用单片机外接的矩阵键盘
2021-11-25 09:07:06
A/D转换器采集数据,暂存于数据缓冲区,再根据主机命令发给主机。这部分功能由一个单片机及接口来实现是最优方式。 数据通信部分应包含:简单、高效、通用的数据通信模式和软硬件支持。它应能在数据采集和数据处理
2018-07-02 05:07:53
基于PIC单片机USB接口的数据采集系统设计 我们把所设计的数据采集系统功能分解为三大部分:数据采集部分、数据通信部分、数据处理部分。 数据采集部分应包含:A/D转换器,时序、模式控制,数据缓冲
2017-08-23 11:30:01
本课题要求设计以单片机为控制器的多功能转速表,使该转速表具有如下功能:测量精度高、能自动变换测量周期、保持测量峰值、人机对话、声光报警及“黑匣子”功能。
2017-05-18 21:54:11
闹钟播放音乐以及通过声控播放音乐;实现通过声音控制下一曲和上一曲以及播放暂停。标签:51单片机、LCD1602、语音控制、闹钟设置、定时器功能资料预览效果图:总体资料:原理图:软件设计流程:系统框图:本设计以STC89
2021-11-19 07:41:35
求助~~~~~~~!基于单片机的电话自动拨号报警系统PROTUES仿真。
2014-04-16 19:17:43
基于微处理器的电池检测系统设计
2021-03-11 06:09:12
,单片机发送挂机命令,报警完毕。 MT8880的D0~D3口分别接8255的PA0~PA3口,CLK2接PA4口,R/W接PA5口,RSO接PA6口,CS接PA7口,IRQ接主控电路处理器89C51的T0
2018-11-01 15:09:05
在现代电子系统设计中,微处理器是不可缺少的一个部件。然而,随着系统变得越来越复杂,拥有更广泛的功能和用户接口时,使用中档微处理器的系统架构在连接一个或多个微处理器时面临着三个关键的挑战
2019-09-26 08:08:42
如何对51一键多功能识别技术进行仿真?其代码该如何去编写?
2021-07-19 08:16:09
、A/D转换器、多媒体音频控制器、以太网控制器等各类功能模块,有些芯片甚至是双核的。所以,选择适合自己产品的一种芯片是有一定难度的,要求研发人员熟悉整个嵌入式微处理器的产品情况,并对各类芯片的性能有足够
2020-05-20 11:11:35
微控制器:CPU + 片内内存 + 片内外设微处理器:CPU处理器通常指微处理器、微控制器和数字信号处理器这三种类型的芯片。微处理器(MPU)通常代表一个功能强大的CPU,但不是为任何已有的特定
2022-02-09 07:48:39
怎么实现基于单片机和FPGA的多功能计数器的设计?
2021-05-14 06:57:15
介绍了一种基于CPLD和MT8880的远程控制及语音通信的解决方案。给出了系统的原理框图和关键电路, 并对关键电路的工作原理进行了说明; 最后给出了系统主机控制器中关键模块的QUARTUS II设计图及基于VHDL语言的MT8880收发程序源代码。[/td]
2021-05-26 07:01:53
怎么实现基于STM32单片机多功能电梯系统设计?
2021-12-21 06:29:56
单片机电话拨号盘包好,打电话功能,急求
2015-04-02 11:09:49
文末下载完整资料二 硬件系统方案设计2.1电话拨号防盗报警器硬件系统方案2.1.1 硬件系统方案设计 图2.1为电话拨号报警器的系统构成方框图,由单片机控制器、键盘输入、数码管显示、触发电路、拨号
2021-11-19 06:11:43
我用STC89C54 和MT8888做电话报警。上面是模拟摘机电路和MT8888电路,调试拨号时,我控制模拟摘机后,控制MT8888拨号,然后拿起听筒能听到拨号音,交换机却不能识别,一直响着等待拨号音................,那位大侠有经验的帮帮小弟吧,非常感谢!
2013-02-07 23:12:21
用MT8880拨打手机,拨通后回铃音是彩铃的话,彩铃是否与普通回铃音一样的频率,并可为MT8880所识别?求高手请教~
2013-08-02 10:44:13
1.3.2 嵌入式微处理器目前主流的嵌入式微处理器都是 32 位的,而单片机多是 8 位 和 16 位。
2021-11-02 06:29:09
设计一种基于单片机的多功能监测系统,包括温湿度采集,光照度采集,二氧化碳浓度采集,PM2.5浓度监测,液晶显示及看门狗复位,报警电路。
补充内容 (2018-1-15 19:52):
都用什么传感器性价比高
2018-01-11 16:08:20
的控制程序就能够实现同样的功能。微控制器适用于那些以极少的元件实现对输入/输出设备进行控制的场合,而微处理器适用于计算机系统中进行信息处理。 其三,指令集特征。由于应用场合不同,微控制器和微处理器
2017-10-27 15:51:04
MT8880是 MITEL 公司生产的DTMF 收发器 ,除具有完善的DTMF 接收和发送功能外,还能实现各种进程音的检测,可通过回铃音停止和忙音开始来判别通话时间的起止。本文介绍了 MT8880的工作原
2009-04-25 15:45:46
44 本文介绍了AT89C2051 单片机与MT8880 接口的设计,说明了MT8880 芯片时钟信号的产生方法,给出了用C51 编制的DTMF 发送和接收程序。关键词:2051; 单片机; MT8880; 接口Abstract
2009-08-05 16:33:16
93 微处理器基础知识-天津大学:微处理器基础知识微处理器的选取原则单片机概述典型单片机系列概述PIC单片机简介微处理器选取原则
2009-08-05 23:28:09
36 介绍了一种基于红外通信的智能家居系统的工作原理及主要功能,采用单片机来控制电话双音多频收发器MT8880和红外编解/码芯片MCP2120,使系
2009-09-15 09:15:48
43 设计实现了一个利用ARM 控制MT8880 芯片的智能拨号器系统,并对智能拨号器系统的各个硬件组成电路进行了详细的研究和说明。在软件设计部分,选用IAR EWARM 作为系统的开发平台
2010-01-20 15:44:29
108 在前面的例子中,产生发送和接收译码各使用了一片集成电路,而DTMF双向收/发集成电路MT8880专门为双音频信号的收、发而设计,它既能产生发送双音频信号,又能对双音频信号进
2010-07-13 22:32:14
169 DTMF信号发送/接收电路芯片MT8880。一、特点:(1)DTMF8880是CMOS大规模集成电路功耗低(52mW),并且将发送和接收电路集成在一个芯片内,所以集成度高。
2006-03-11 13:16:00
1877 
MT8880是我们应用电话拨号应用中常用的一款芯片,它集发送、接收于一体。如果设计得法还是一款相当稳定
的IC,优点是:通过
2007-08-25 20:35:12
4993 
DTMF专用芯片MT8880在通信网数据传输中的应用
摘 要:DTMF技术广泛应用于通信网中。本文介绍了如何利用MT8880这种DTMF专用芯片实现计算机间的简单
2008-10-14 16:49:50
2238 
MT8880与AT89C51及语音电路的接口电路
2009-05-24 12:10:43
2881 
双音多频收发器MT8880在智能通讯预警系统中的技术应用
利用公用电话网进行远程控制家用电器和拨号报警,主要解决的问题是如何利用电话线传递控制信息以及如何对
2009-11-07 10:09:59
1886 
摘 要:本文介绍了一种以单片机AT89C51为主控制器和双音多频解码电路芯片MT8880为核心,通过电话线路实现对家用电器的远程多路智能控制系统。该系统实用、功能灵活多样
2010-05-28 09:49:03
1339 针对煤矿井下调度及紧急救援系统的需求,以DTMF编解码模块为核心,设计了具有自动拨号功能的新型电话系统。该系统利用MT8880对DTMF信号的编解码功能实现一键拨号和远程设置,通过
2011-03-18 17:02:52
244 本项目用AVR单片机产生DTMF信号,再用MT8880芯片接受借条再发送,用电话线与网络连通,实现通信目的
2011-04-25 15:06:31
213 本文介绍一种基于DTMF技术的逆变电源的设计,由AT80C51单片机、SA8282波形发生器和MT8880 DTMF及交直交主电路构成。SA8282和MT8880仅需要少量的外围硬件而无需复杂的软件编程,使得本系统的
2011-08-15 13:57:26
2486 
在前面的例子中,产生发送和接收译码各使用了一片集成电路,而DTMF双向收/发集成电路 MT8880专门为双音频信号的收、发而设计,它既能产生发送双音频信号,又能对双音频信号进行
2012-02-21 16:37:42
208 基于MT8880的一键拨号电话系统设计,相关电路图
2016-06-27 14:55:38
70 微处理器与微控制器的定义 微处理器 微处理器(MPU)通常代表一个功能强大的CPU,但不是为任何已有的特定计算目的而设计的芯片。这种芯片往往是个人计算机和高端工作站的核心CPU。最常见的微处理器
2017-10-14 09:29:48
6382 微处理器多功能复位管理芯片 以UM706 为例,这是一款微处理器多功能复位管理芯片,集看门狗定时器、按键复位、上电/掉电复位、电压跌落预警等多种功能于一身,内置抗干扰电路,性能稳定可靠,适合对可靠性要求高的应用场合。
2017-10-27 15:19:50
10 在一些单片机系统中,有时候需要采用一些一键多功能的技术,今天在这里小编就给大家介绍一下。
2017-11-18 09:08:25
1699 
单片机、微控制器和微处理器有何区别?处理器通常指微处理器、微控制器和数字信号处理器这三种类型的芯片。微处理器(MPU)通常代表一个功能强大的CPU,但不是为任何已有的特定计算目的而设计的芯片。这种
2017-11-27 19:09:51
1 的工作环境比较恶劣,为提高系统抗干扰能力,同时控制系统成本,采用PIC系列单片机作为系统核心处理器。与其它同档次的微处理器相比,如MCS-51系列.PIC系列单片机的资源,特别是存储器资源更加缺乏,为保证有足够的资源供RTOS和用户软件
2017-12-06 09:09:12
11 应用程序可以控制拨号芯片MT8880。MT8880芯片主要用于发送双音多频信号(Dual Tone Multi Frequency),在加载了拨号驱动和应用程序后,可以实现Android系统的拨号功能。经测试,设计的拨号驱动能实现对新增设备的控制,电话应用能成功拨号。
2018-07-03 16:48:00
1586 
一分钟看懂51控制的MT8880双音频收发器的汇编程序及源代码。
2018-05-29 11:15:00
2553 
。另一方面,最终选择取决于诸如操作系统和内存之类的因素。不过,有时可以将微处理器和单片机内核结合使用,这称作异构架构。 操作系统 对于一些基于Linux或安卓等操作系统的计算机密集型工业和消费类应用,需要大量高速连接或功能范围
2020-10-27 10:34:12
4358 每项新应用设计都需要一个单片机或微处理器。当在两者之间选择其一时,需要考虑一些因素。考虑选择微处理器(MPU)或者单片机(MCU)时,应用类型通常是关键因素。另一方面,最终选择取决于诸如操作系统和内存之类的因素。不过,有时可以将微处理器和单片机内核结合使用,这称作异构架构。
2021-01-28 08:56:00
2 每项新应用设计都需要一个单片机或微处理器。当在两者之间选择其一时,需要考虑一些因素。以下是微处理器、单片机的概述和对比。考虑选择微处理器(MPU)或者单片机(MCU)时,应用类型通常是关...
2021-11-26 18:51:10
17 每项新应用设计都需要一个单片机或微处理器。当在两者之间选择其一时,需要考虑一些因素。以下是微处理器、单片机的概述和对比。
2022-02-09 09:35:13
0 基于单片机显示电话拨号Proteus仿真设计资料
2023-05-22 15:47:20
0
评论