自制恒流恒压充电电路(一)
本例介绍的恒流恒压脉冲充电器适宜各种5号可充电电池充电,使用方便,制作容易。
工作原理
恒流恒压脉冲充电器的电路共分三部分;即电容降压整流部分、脉冲充电部分和放电部分。

220V交流电经电容器C1降压限流,VD1~VD4桥式整流后不加滤波电容器,输出的是脉冲直流电。三极管VTl的基极接有高精度三端可调式集成恒流源IC(LM431),可通过调整IC的控制极来调节VT1的基极电位。VTl接成射极输出器,射极电位随着基极电压而变化,这样可以通过调节RP来调节脉冲电压的高低。放电部分由三极管VT2完成,VT2基极的电压由二极管VD5与电阻器R3分压得到。由VT2的特性可知,在正脉冲期间,VT2截止。正脉冲过后,充电暂停,VT2导通,对电池进行放电。放电的多少,受VT2发射极电阻器R4的限制。VD7是充电指示,VD6是停充时防止电池向VD5放电。本充电器实际是一个恒流恒压脉冲充电器,即使长时间对电池充电,也不会对电池造成损坏。根据充电电压的要求,调节RP到要求的电压。
元器件选择
Ic选用三端可调式集成恒流源LM431。
VTl选用9013或3DG12、3DK4型硅NPN中功率三极管,要求电流放大系数β》100;
VT2选用9012或3CG12型硅PNP中功率三极管,要求电流放大系数β》1000
VD1~VD6选用1N4007型等硅整流二极管;VD7选用Φ3mm红色发光二极管。
R1最好选用RJ一1W型金属膜电阻器;其余电阻均选用RTX一1/8W型碳膜电阻器。RP
选用WSW型有机实心微调电阻器。
C1要求选用CBB一400V型聚丙烯电容器。
制作与调试
将所有电子元器件安装在一块自制的印制电路板上,并将其装入大小合适的塑料或木制盒内,在盒面上开孔固定好发光二极管VD7及RP,在盒内安装5号干电池夹,放宜待充电的电池。由于采用电容器降压,电路与市电相连,在使用中一定要注意安全。一般是先安好被充电电池,再开充电电源,充电完后,先关电源,再取电池,以防止发生触电危险。
自制恒流恒压充电电路(二)
一直想做一台高级而复杂的全功能智能充电器,最后发现简单可靠实用才是真理,怎样实现简单可靠?串联充电比并联充电简单,缺点是电池要求容量比较一致,线性降压比开关降压简单,缺点是效率比较低发热大,大电流充电节约时间但是发热大电池寿命影响也不小,负斜率或者零增量侦测电池是否充满的缺点是电路复杂并且因为电池性能的关系并不可靠,目前电池的充电方式大多数推荐是恒流。所以一台简单可靠的充电器要完成的功能特点应该有:能充多节电池,有恒流充电功能,有防止过充功能。实现方法其实很简单:串联,恒压,恒流。如果用稳压电源来充电的话,初期电流太大,若串入限流电阻的话,当电池电压升高后电阻就限制了充电电流使充电时间过长。恒流恒压只是相对的,具体来说应该是前期恒流后期恒压,顺便说一下,这种方式非常适合给锂电池充电。

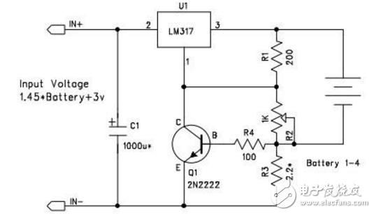
按照上图,我做的是一台一次充4节镍氢或者镍镉电池的充电器,经测试发现很理想,并且前期限流基本是恒流,后期恒压。调试很简单,只要调整R2设置输出电压在你需要的电压上,比如镍氢电池充满是1.45v一节,4节就是5.8v,R2建议用那种精密可调电位器,多圈小型那种既稳定又能微调,R3的选择你需要的充电电流,现在充电电池容量都不小,不想充电速度太慢或太快,充电电流可以取适中,比如我取的2.2欧姆根据三极管导通电压约0.6v计算电流在270ma。为了减少LM317的损耗,输入电压设置在比输出电压高3V,如1.45×4+3约9v,如果你觉得LM317上3v损耗还是太大,可以把LM317换成1117这种1v的低压降IC(没试过),如果你觉得串联充电不够好,可以只充一节电池,多做几组就可以了,其实对于一直成组使用的电池串联充电没有什么不好,充放电电流都是一致的。前面也说了,这电路用来充单节锂电池,单节磷酸铁锂电池很合适。只需要把输出电压设置在电池的截止电压。
电子发烧友App
































评论