恒温电烙铁电路图(一)
电子爱好者手中都有电烙铁,使用中较伤脑筋的是,动手制作过程中常需边思考边焊接,因此电烙铁长时间通电,烙铁头的“烧死”现象已成家常便饭;再者对于不同的器件特别是贵重器件的焊接,烙铁温度不能自动调节,这也给使用带来诸多不便,笔者用图1的电路为电烙铁进行改装,使之能调温,保温和安全焊接,取得了良好的效果。
首先了解图l的工作原理:它主要由测温电桥,电压比较器,驱动控制电路,保温电路和电源电路等部分组成。

电路的供电由市电经C4、R6降压,D1、D2整流,C3滤波获得约10V的直流电压。为保证传感器的输出稳定,R4、cl和DW二次稳压获得的6V电压供测温电桥R1、R2、RP和Rt工作。R2、RP的分压使电压比较器Ic的同相端获得基准电压,与之比较的检测分压由RI与Rt提供,Rt是一种硅半导体电阻,它具有正温度系数,温度越高其阻值越大,反之亦然。当Rt检测到温度低于RP设定的闽值温度时VA《vB,IC输出高电平。
与此同时由R5、RG、BG、LED和干簧继电器J组成的驱动电路也产生相应的动作。RG为设置在电烙铁手柄握手处的光敏电阻,当使用烙铁握住BG的受光口时RG阻值增大(一般大于IM),若IC输出高电平,经R5、RG分压使仪二导通,干簧继电器线圈励磁,其触点接通电烙铁供电,使之处于加热状态,电烙铁正常使用时干簧管的通断受控于Rt的测温结果,实际上通过J的触点使电烙铁的工作处于一种动态平衡状态达到恒温;当将电烙铁搁在铁架上时,RG受光阻值接近200欧,R5、RG的分压不足使BG导通,故J的触点断开,但是二极管D4对市电的半波整流仍使之处于通电状态,这种半功率状态不足使电烙铁产生过高的温升,可以防止烙铁头“烧死”,若又使用时电烙铁可在极短的时间内由保温状态恢复到正常,保证电烙铁的温度。

电路中RP为基准电压设置电位器,即恒温调节电阻,正反馈电阻R3为比较器的转换迟滞电阻,它可以避免VA=VB时IC输出抖动。C2为IC的输出抗干扰电容,这里BG接成射极跟随器形式,使RG光控更为可靠,LED为工作指示发光二极管,它还起到保护高灵敏干簧继电器的作用,反之J也成为比D的限流电阻。D3为J的续流二极管,它可为J线圈产生的感应电压提供放电回电路,从而保护LED和BG。与C4并联的R6不可省去,它可在停止使用时释放C4上的积聚电荷。
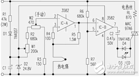
恒温电烙铁电路图(二)
如图所示。该电烙铁控温范围是100℃~400℃,调温标志标明低、中、高位,控温精度标称±5%,采用了热电偶传感器。控制电路采用了交流市电直接降压、滤波、稳压供电方案。

市电AC220V经R1降压、D1半波整流、D2削波稳压、C1滤波后作为比较器件IC的电源电压及调温设定电压源。IC-A③脚为热电偶检测电压输入端(与温度值对应);②脚为调温设定电压。在②、③脚两端电压比较后,由①脚输出。其中R5的作用是将输入的很少一部分反馈至同相输入端③脚,以使在小信号波动时输出锁定不变。当热电偶检到温度偏低时;③脚电平相对②脚低,使输出①脚也低。进而使IC-B放大器⑥脚相对于固定偏置的⑤脚偏低,使输出⑦脚为高。由于IC-B⑤脚电压是由AC220V经R6、R7分压而得,因而,频率、相位完全与AC220V相同。与⑥脚直流比较后在⑦脚输出交流电压。该交流电压经C2、D4、D3和D4反向并联(作用同双向二极管)触发双向可控硅,使相应的电压加到烙铁电热丝上,以达到恒温的目的。
电子发烧友App












































































评论