首页->数码
随着数码产品如手机、笔记本电脑等产品的广泛使用,锂离子电池以优异的性能在这类产品中得到广泛应用,并在近年逐步向其他产品应用领域发展。1998年,天津电源研究所开始商业化生产锂离子电池。习惯上,人们把锂离子电池也称为锂......
......
动态数码管显示原理电路,通过P0 端口接动态数码管的字形码笔段,P2 端口接动态数码 管的数位选择端,P1.7 接一个开关,当开关接高电平时,显示“12345”字 样;当开关接低电平时,显示&l......
8255数码管显示电路原理图 8255数码管显示效果图 ......
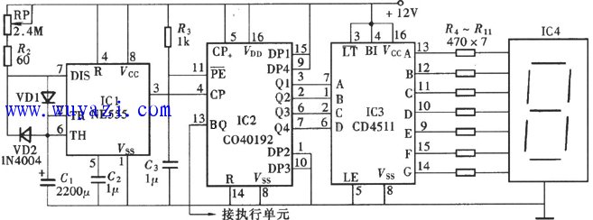
CD4511 是一片 CMOS BCD-锁存/7 段译码/驱动器,用于驱动共阴极 LED (数码管)显示器的 BCD 码-七段码译码器。它具有BCD转换、消隐和锁存控制、七段译码及驱动功能的CMOS电路能提供较大的拉电......
本文介绍的是一位数码显示的数显式定时器,它的显示单位要根据时基信号的单位而定。本电路由时基信号发生器、时间计数器、数码译码器和数码显示器组成。 ......
数码管是一种半导体发光器件,其基本单元是发光二极管。 【数码管的分类】 数码管按段数分为七段数码管和八段数码管,八段数码管比七段数码管多一个发光二极管单元(多一个小数点显示);按能显示多少个“8”......
一、数码寄存器 2. 双向移位寄存器 在控制信号的控制下,信息可以依次从右向左或从左向右存入并实现移位操作。双向移位寄存器CC40194型的逻辑电路图: 四个D 触发器的D 端信息由四选一的选择器决定。S2S1是四选......
大七段数码管 C-2301 A-2301 资料 常用的红色数码管典型电压7.2V,最高8.8V。 ......
国内外生产LED数码管的公司很多,命名方法也各不相同。下面主要介绍国产LED数码管和立得公司的LED数码管的命名方法,因为市面上这两中型号的数码管销售的最多。 国产LED数码管型号命名方法为:示例:BS12.7R-1表示......